Gutbrod MV 504 16APV06Y690 (2002) Ersatzteile
16APV06Y690 (2002) MV 504

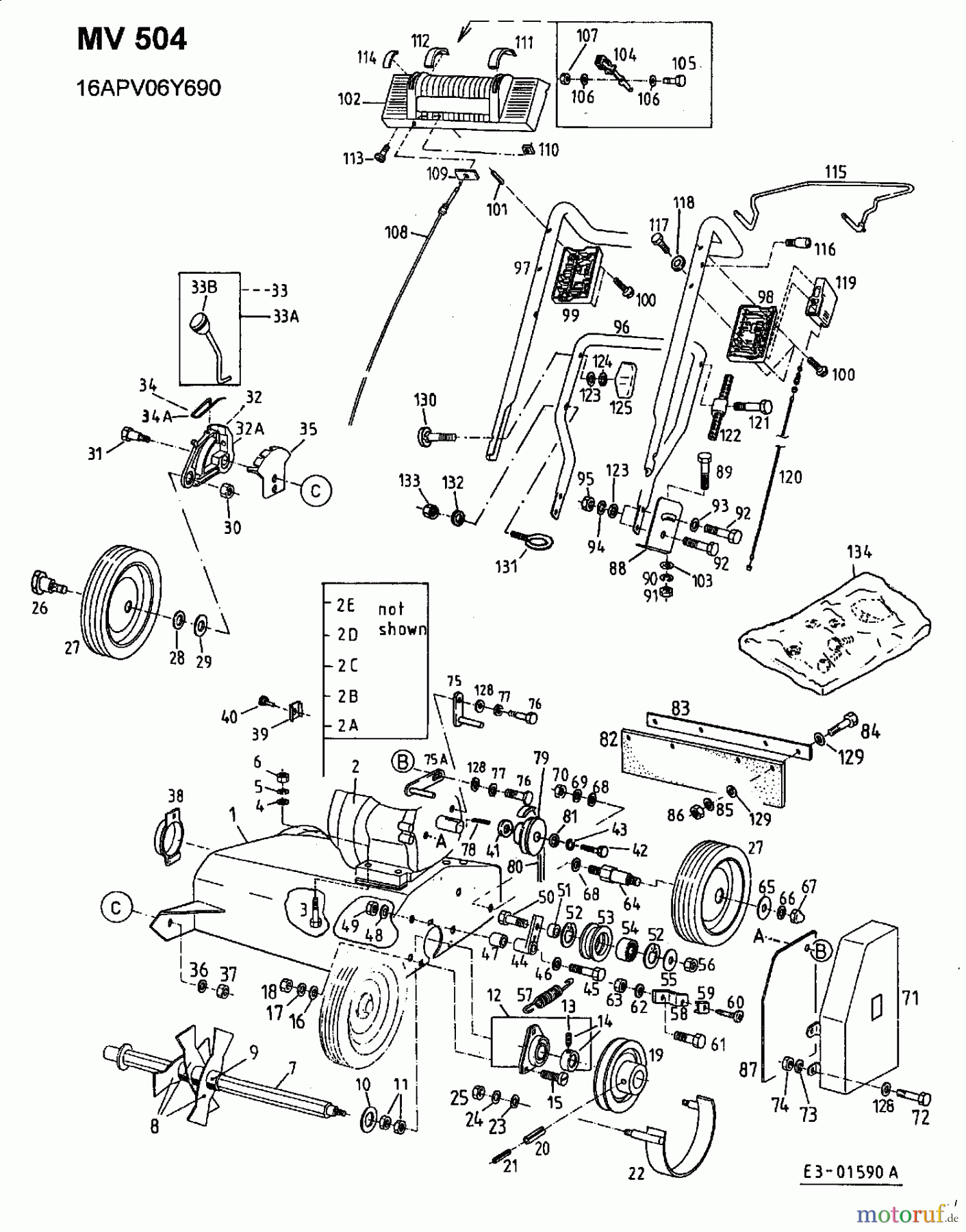
Hier finden Sie die Ersatzteilzeichnung für Gutbrod Motorvertikutierer MV 504 16APV06Y690 (2002) Grundgerät. Wählen Sie das benötigte Ersatzteil aus der Ersatzteilliste Ihres Gutbrod Gerätes aus und bestellen Sie einfach online. Viele Gutbrod Ersatzteile halten wir ständig in unserem Lager für Sie bereit.









