Gutbrod MV 504 00053.05 (1996) Ersatzteile
00053.05 (1996) MV 504

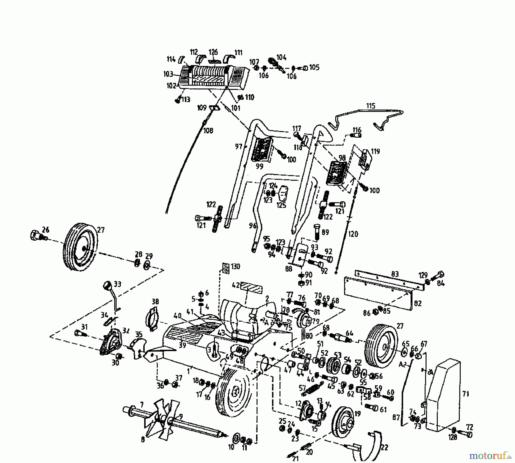
Hier finden Sie die Ersatzteilzeichnung für Gutbrod Motorvertikutierer MV 504 00053.05 (1996) Grundgerät. Wählen Sie das benötigte Ersatzteil aus der Ersatzteilliste Ihres Gutbrod Gerätes aus und bestellen Sie einfach online. Viele Gutbrod Ersatzteile halten wir ständig in unserem Lager für Sie bereit.




