Gutbrod MV 404 04010.01 (1995) Ersatzteile
04010.01 (1995) MV 404

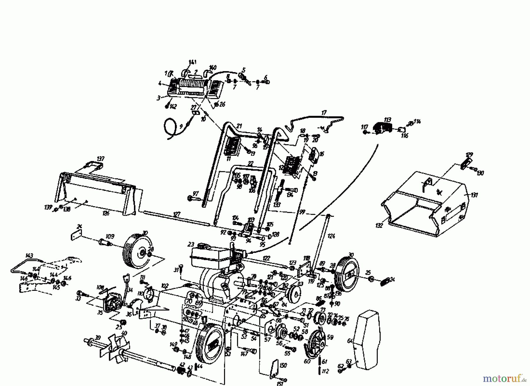
Hier finden Sie die Ersatzteilzeichnung für Gutbrod Motorvertikutierer MV 404 04010.01 (1995) Grundgerät. Wählen Sie das benötigte Ersatzteil aus der Ersatzteilliste Ihres Gutbrod Gerätes aus und bestellen Sie einfach online. Viele Gutbrod Ersatzteile halten wir ständig in unserem Lager für Sie bereit.




