Gutbrod TURBO 38 HE 02863.04 (1986) Ersatzteile
02863.04 (1986) TURBO 38 HE

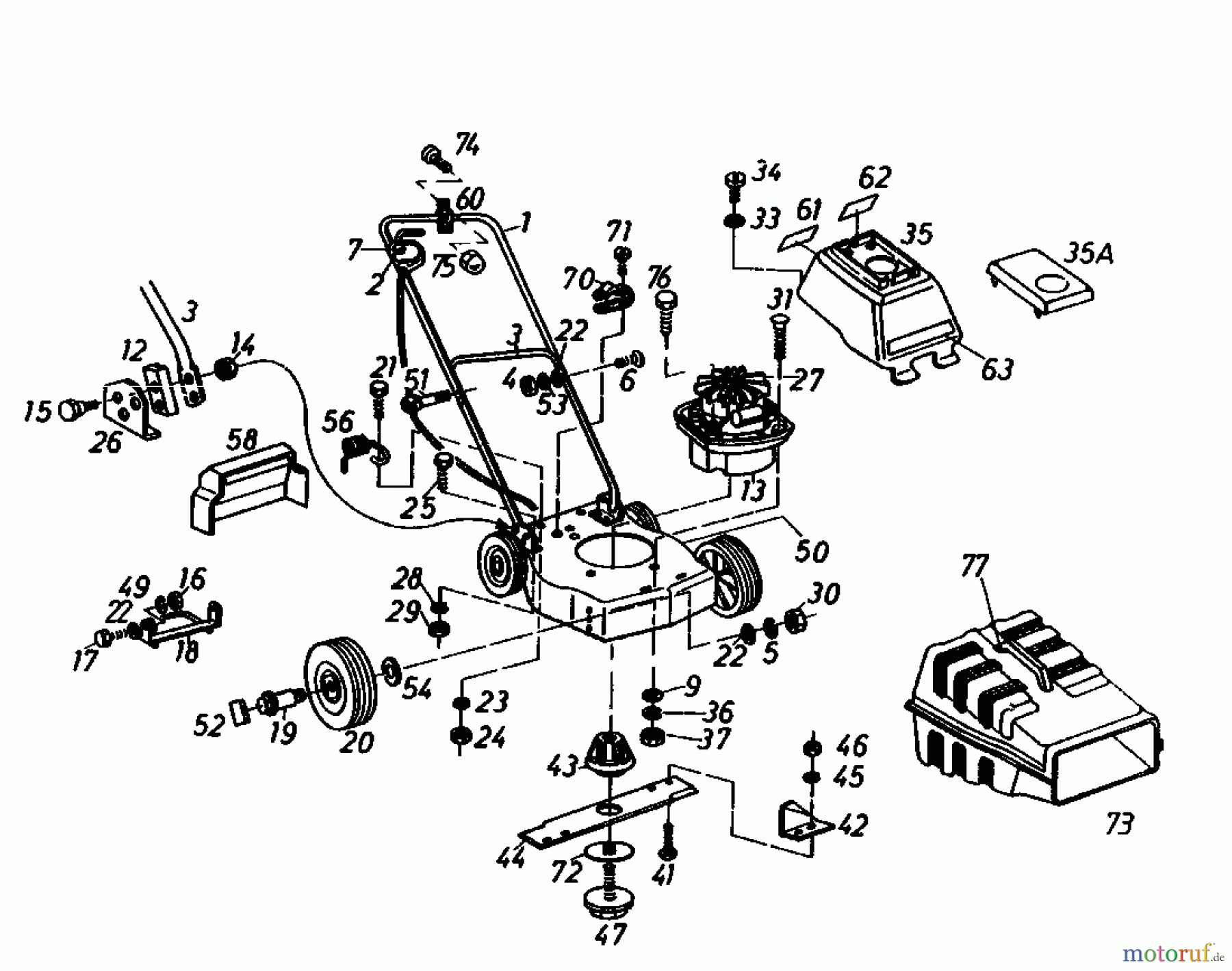
Hier finden Sie die Ersatzteilzeichnung für Gutbrod Elektromäher TURBO 38 HE 02863.04 (1986) Grundgerät. Wählen Sie das benötigte Ersatzteil aus der Ersatzteilliste Ihres Gutbrod Gerätes aus und bestellen Sie einfach online. Viele Gutbrod Ersatzteile halten wir ständig in unserem Lager für Sie bereit.


Qualitätsmanagement
Informieren Sie uns, wenn Sie einen Fehler gefunden haben.

