Gutbrod Darling 02819.04 (1995) Ersatzteile
02819.04 (1995) Darling

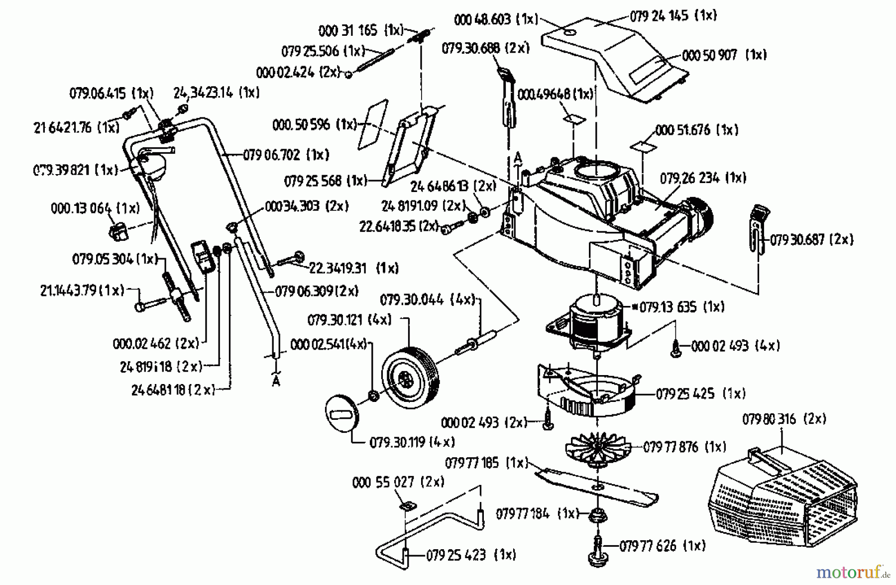
Hier finden Sie die Ersatzteilzeichnung für Gutbrod Elektromäher Darling 02819.04 (1995) Grundgerät. Wählen Sie das benötigte Ersatzteil aus der Ersatzteilliste Ihres Gutbrod Gerätes aus und bestellen Sie einfach online. Viele Gutbrod Ersatzteile halten wir ständig in unserem Lager für Sie bereit.





