Atika Betonmischer Format 150 Ersatzteile
Format 150 Betonmischer

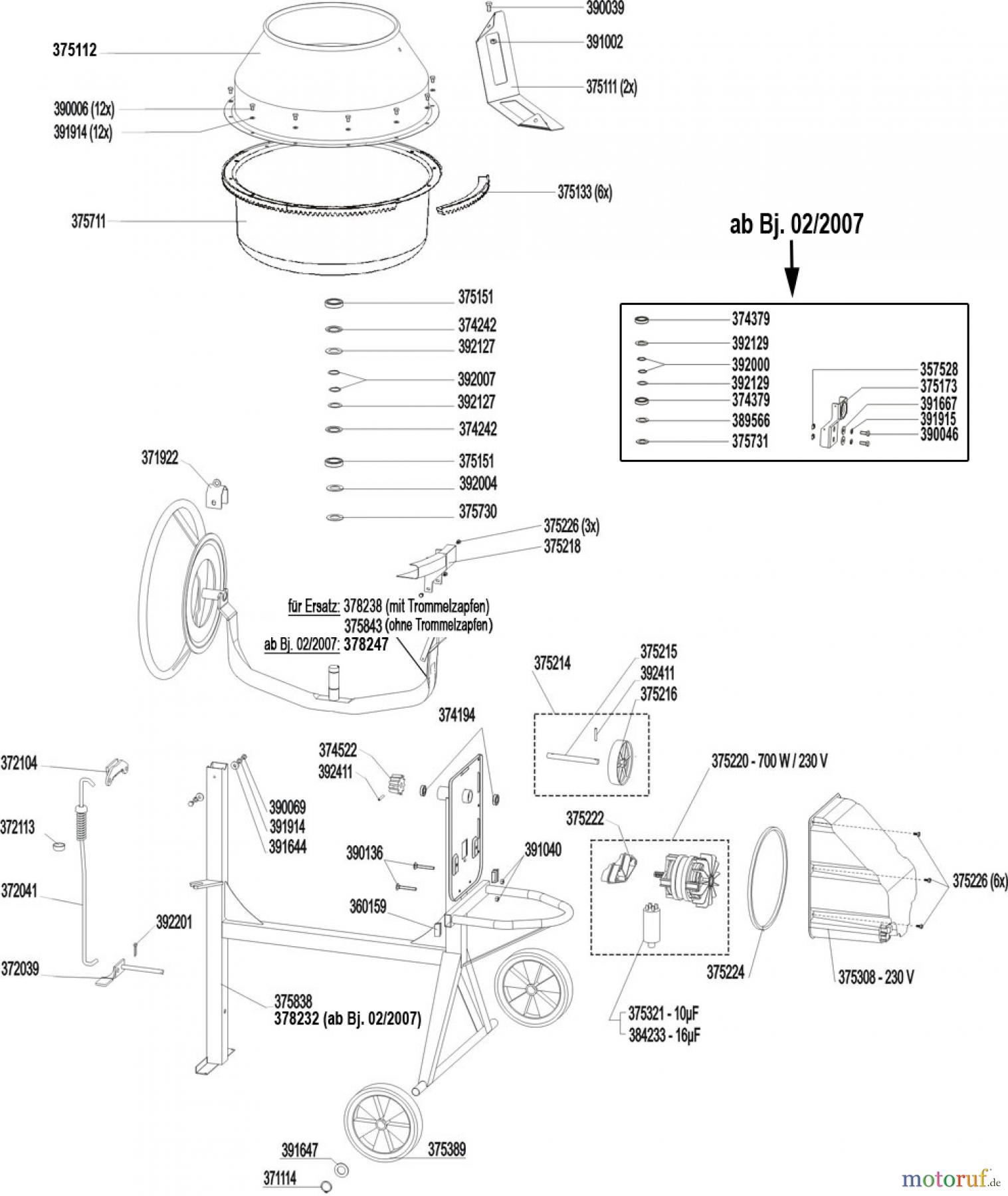
Hier finden Sie die Ersatzteilzeichnung für Atika Bau Betonmischer Format 150. Wählen Sie das benötigte Ersatzteil aus der Ersatzteilliste Ihres Atika Gerätes aus und bestellen Sie einfach online. Viele Atika Ersatzteile halten wir ständig in unserem Lager für Sie bereit.
Häufig benötigte Atika Betonmischer Format 150 Ersatzteile

Artikelnummer: 375133
Suche nach: 375133
Hersteller: Atika
Atika Ersatzteil Format 150
Suche nach: 375133
Hersteller: Atika
Atika Ersatzteil Format 150
32.45 €
für EU incl. MwSt., zzgl. Versand












