Güde Benzin BENZINLAUBSAUGER GBLS 2500 - 94047 FSL94047-02 Ersatzteile
FSL94047-02 BENZINLAUBSAUGER GBLS 2500 - 94047
Gültig für folgende Seriennummern (ersten 5 Ziffern der Geräteseriennummer)
05276 05293 45393 45394 45397 47900 48176 50706 52975 53879 54894 56032 56919

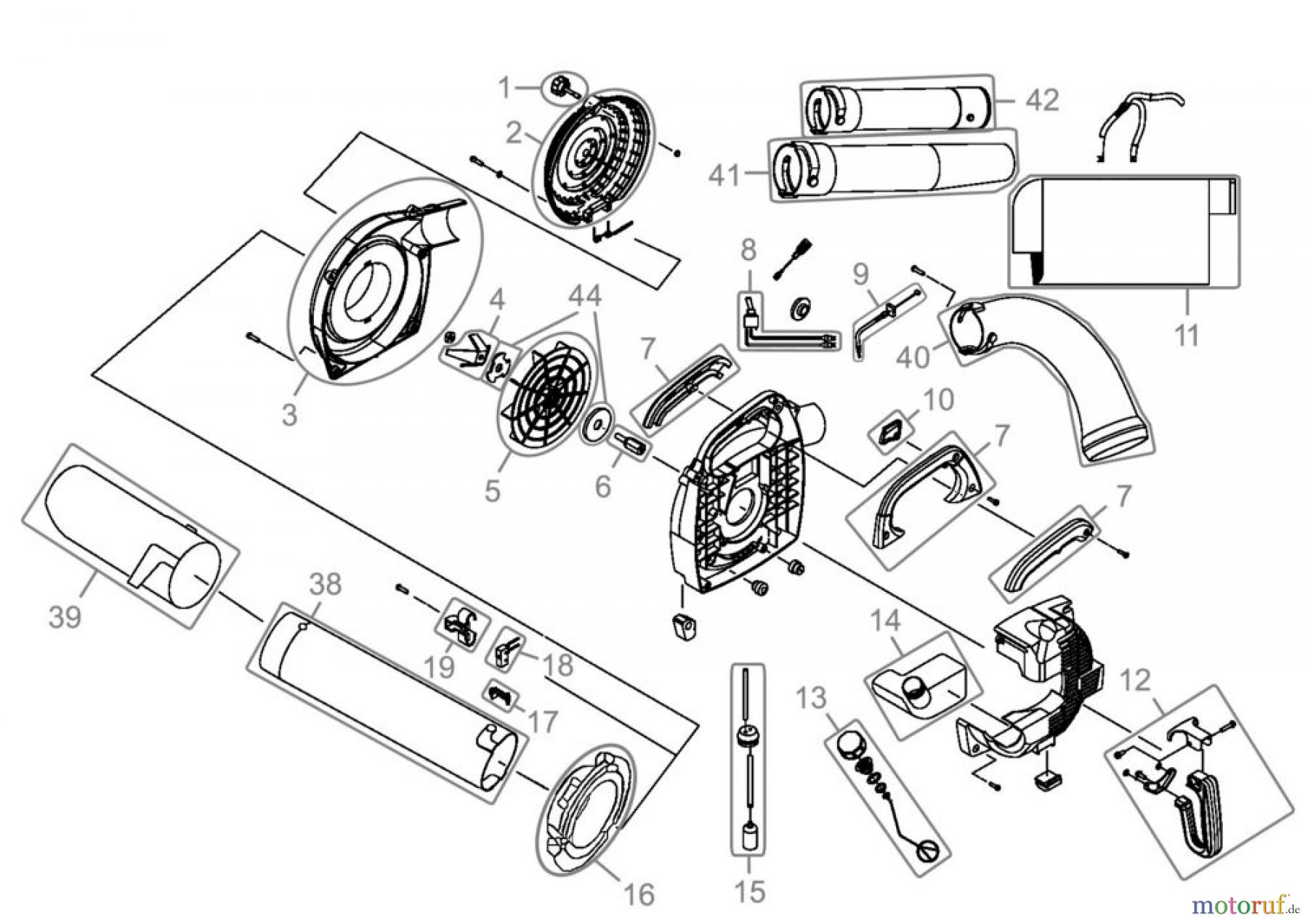
Hier finden Sie die Ersatzteilzeichnung für Güde Gartentechnik Laub-Sauger & Bläser Benzin BENZINLAUBSAUGER GBLS 2500 - 94047 FSL94047-02 Seite 1. Wählen Sie das benötigte Ersatzteil aus der Ersatzteilliste Ihres Güde Gerätes aus und bestellen Sie einfach online. Viele Güde Ersatzteile halten wir ständig in unserem Lager für Sie bereit.


Qualitätsmanagement
Informieren Sie uns, wenn Sie einen Fehler gefunden haben.

