Güde Elektro STRASSEN/GEHWEGSAUGER GSG 1200 F - 16745 FSL16745-01 Ersatzteile
FSL16745-01 STRASSEN/GEHWEGSAUGER GSG 1200 F - 16745
Gültig für folgende Seriennummern (ersten 5 Ziffern der Geräteseriennummer)
38058 38313 38483 38485 38487 38489 38491 38515

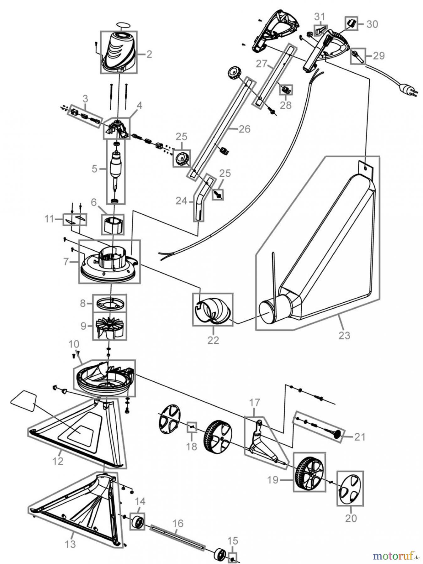
Hier finden Sie die Ersatzteilzeichnung für Güde Gartentechnik Laub-Sauger & Bläser Elektro STRASSEN/GEHWEGSAUGER GSG 1200 F - 16745 FSL16745-01. Wählen Sie das benötigte Ersatzteil aus der Ersatzteilliste Ihres Güde Gerätes aus und bestellen Sie einfach online. Viele Güde Ersatzteile halten wir ständig in unserem Lager für Sie bereit.



