Güde Benzin-Fräsen GARTENFRÄSE GF 380 - 94365 FSL94365-04 Ersatzteile
FSL94365-04 GARTENFRÄSE GF 380 - 94365
Gültig für folgende Seriennummern (ersten 5 Ziffern der Geräteseriennummer)
54830 54831 57050 57051 57124 58001

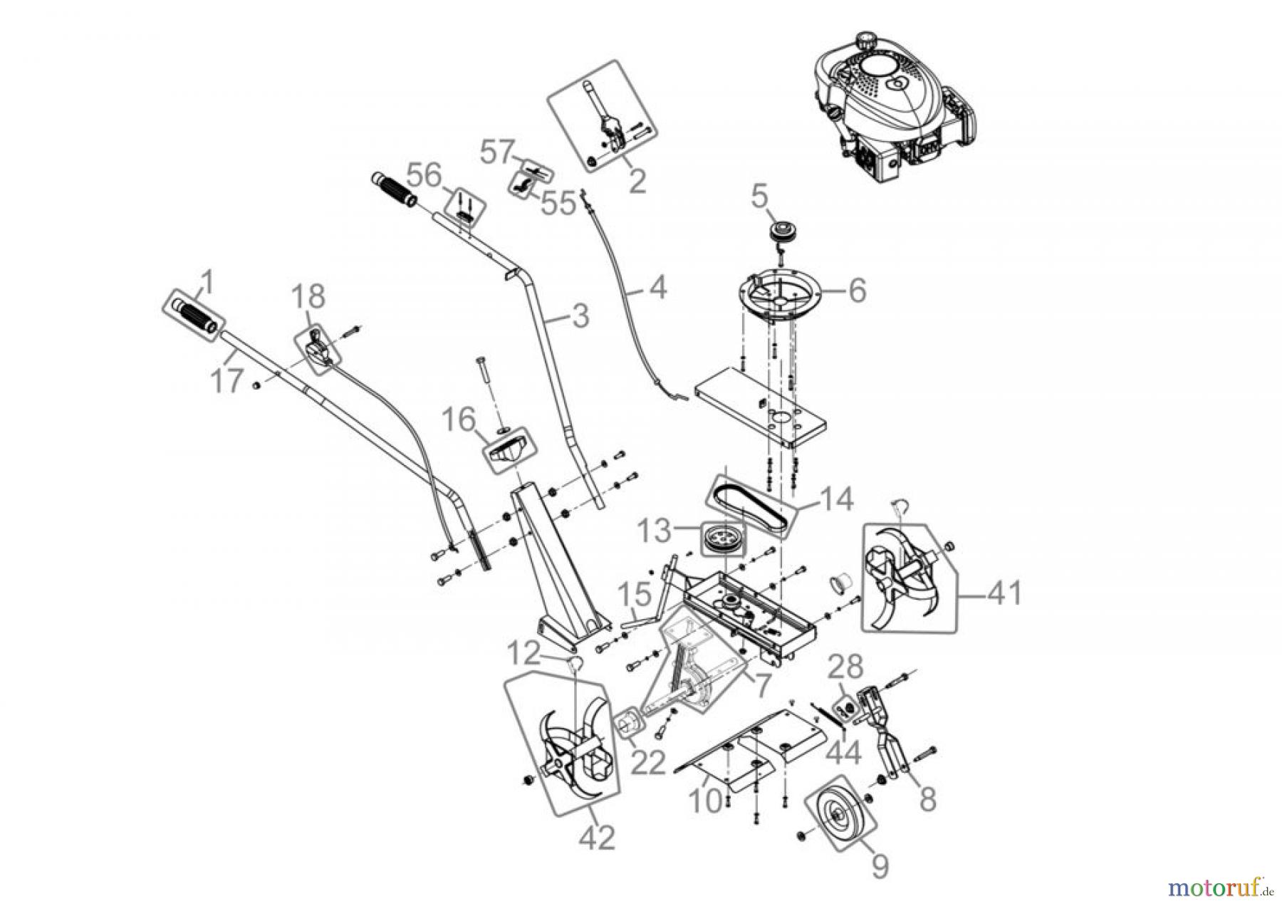
Hier finden Sie die Ersatzteilzeichnung für Güde Gartentechnik Gartenfräsen Benzin-Fräsen GARTENFRÄSE GF 380 - 94365 FSL94365-04 Seite 1. Wählen Sie das benötigte Ersatzteil aus der Ersatzteilliste Ihres Güde Gerätes aus und bestellen Sie einfach online. Viele Güde Ersatzteile halten wir ständig in unserem Lager für Sie bereit.


Qualitätsmanagement
Informieren Sie uns, wenn Sie einen Fehler gefunden haben.

