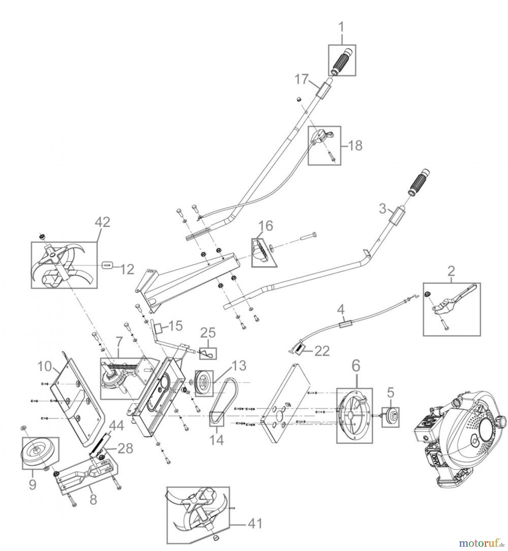
Güde Benzin-Fräsen GARTENFRÄSE GF 380 - 94365 FSL94365-03 Ersatzteile
FSL94365-03 GARTENFRÄSE GF 380 - 94365
Gültig für folgende Seriennummern (ersten 5 Ziffern der Geräteseriennummer)
43059 44917 44944 46543 47958 48182 49241 49424 49687 49688 50002 52282 52283 52284 52285 52286 52352 52722

Hier finden Sie die Ersatzteilzeichnung für Güde Gartentechnik Gartenfräsen Benzin-Fräsen GARTENFRÄSE GF 380 - 94365 FSL94365-03 Seite 1. Wählen Sie das benötigte Ersatzteil aus der Ersatzteilliste Ihres Güde Gerätes aus und bestellen Sie einfach online. Viele Güde Ersatzteile halten wir ständig in unserem Lager für Sie bereit.



