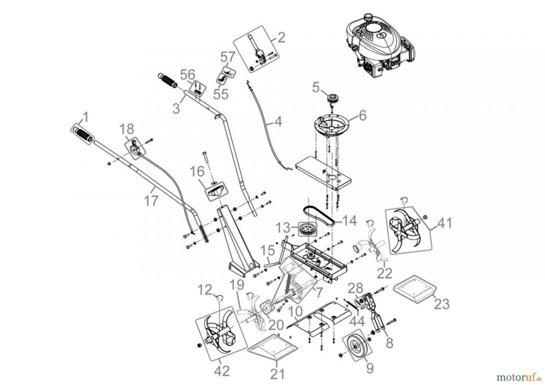
Güde Elektro-Fräsen GARTENFRÄSE GF 601 - 94370 FSL94370-01 Ersatzteile
FSL94370-01 GARTENFRÄSE GF 601 - 94370
Gültig für folgende Seriennummern (ersten 5 Ziffern der Geräteseriennummer)
58824 59181 59182 59895

Hier finden Sie die Ersatzteilzeichnung für Güde Gartentechnik Gartenfräsen Elektro-Fräsen GARTENFRÄSE GF 601 - 94370 FSL94370-01 Seite 1. Wählen Sie das benötigte Ersatzteil aus der Ersatzteilliste Ihres Güde Gerätes aus und bestellen Sie einfach online. Viele Güde Ersatzteile halten wir ständig in unserem Lager für Sie bereit.


Qualitätsmanagement
Informieren Sie uns, wenn Sie einen Fehler gefunden haben.

