Güde Elektro-Fräsen GARTENFRÄSE GF 381 - 94366 FSL94366-02 Ersatzteile
FSL94366-02 GARTENFRÄSE GF 381 - 94366
Gültig für folgende Seriennummern (ersten 5 Ziffern der Geräteseriennummer)
59460 59461 59462 59463 59895

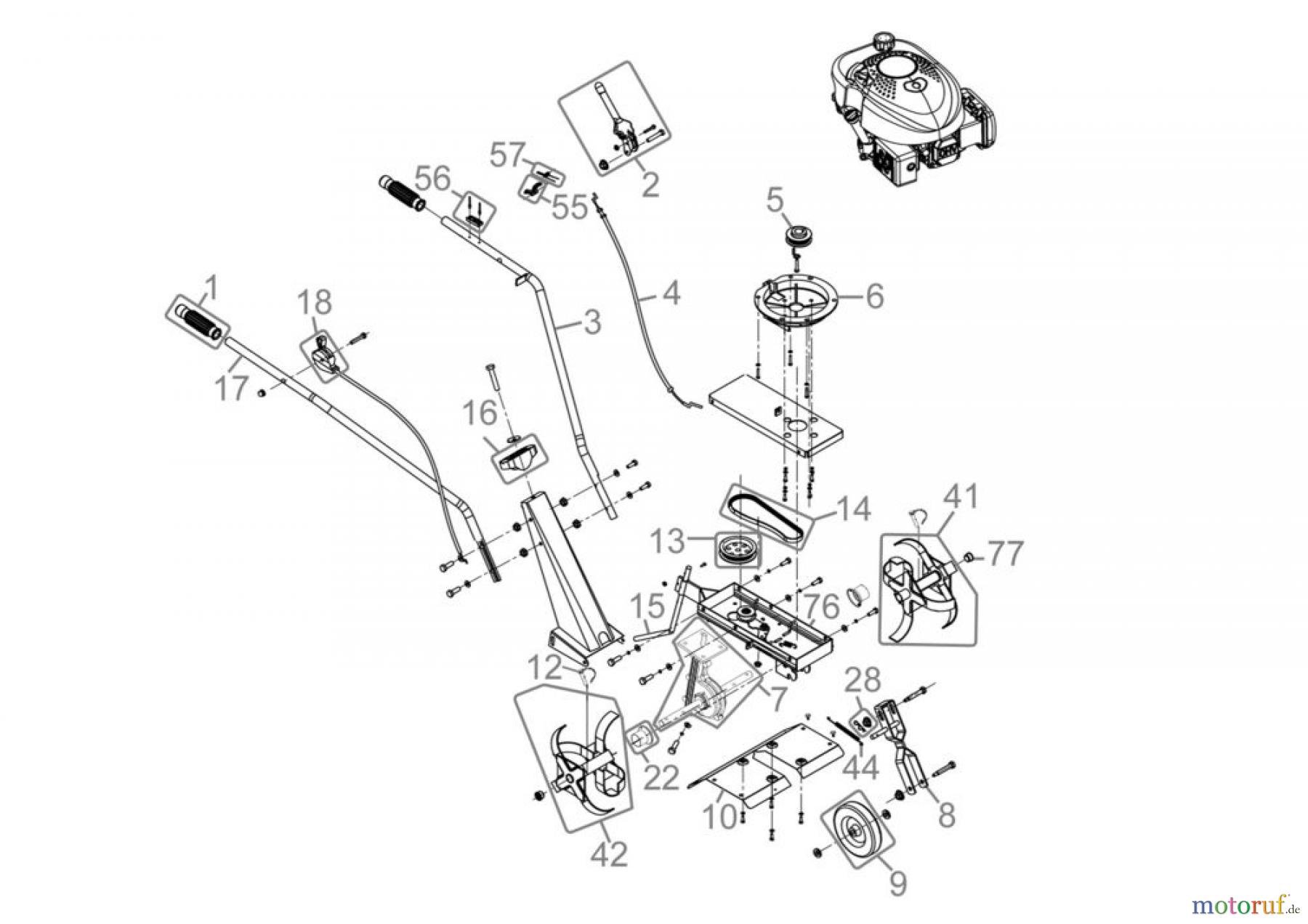
Hier finden Sie die Ersatzteilzeichnung für Güde Gartentechnik Gartenfräsen Elektro-Fräsen GARTENFRÄSE GF 381 - 94366 FSL94366-02 Seite 1. Wählen Sie das benötigte Ersatzteil aus der Ersatzteilliste Ihres Güde Gerätes aus und bestellen Sie einfach online. Viele Güde Ersatzteile halten wir ständig in unserem Lager für Sie bereit.


Qualitätsmanagement
Informieren Sie uns, wenn Sie einen Fehler gefunden haben.

