Güde MOTORPUMPE GMP 100 4T - 94253 FSL94253-02 Ersatzteile
FSL94253-02 MOTORPUMPE GMP 100 4T - 94253
Gültig für folgende Seriennummern (ersten 5 Ziffern der Geräteseriennummer)
58783

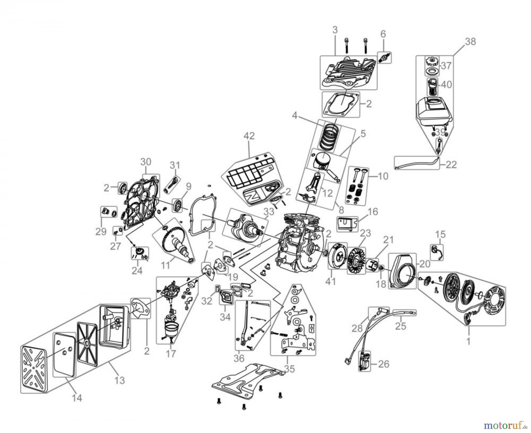
Hier finden Sie die Ersatzteilzeichnung für Güde Pumpentechnik Motorpumpen MOTORPUMPE GMP 100 4T - 94253 FSL94253-02 Seite 1. Wählen Sie das benötigte Ersatzteil aus der Ersatzteilliste Ihres Güde Gerätes aus und bestellen Sie einfach online. Viele Güde Ersatzteile halten wir ständig in unserem Lager für Sie bereit.


Qualitätsmanagement
Informieren Sie uns, wenn Sie einen Fehler gefunden haben.

