Güde Gartenpumpen RÜSSELPUMPE JA 200 M 230 V - 94197 FSL94197-01 Ersatzteile
FSL94197-01 RÜSSELPUMPE JA 200 M 230 V - 94197
Gültig für folgende Seriennummern (ersten 5 Ziffern der Geräteseriennummer)
24228 25154

Hier finden Sie die Ersatzteilzeichnung für Güde Pumpentechnik weitere Pumpen Gartenpumpen RÜSSELPUMPE JA 200 M 230 V - 94197 FSL94197-01. Wählen Sie das benötigte Ersatzteil aus der Ersatzteilliste Ihres Güde Gerätes aus und bestellen Sie einfach online. Viele Güde Ersatzteile halten wir ständig in unserem Lager für Sie bereit.
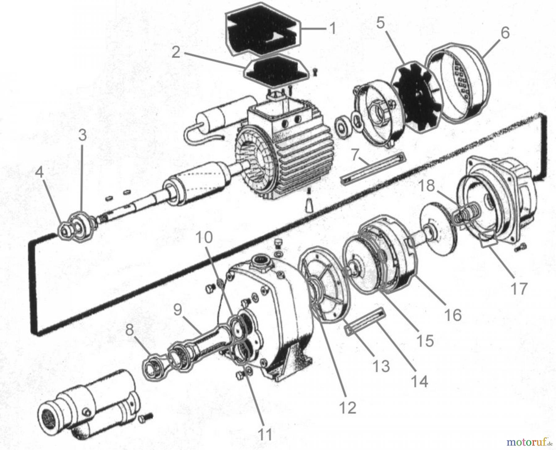
| BildNr | Artikel Nummer | Bezeichnung | |
| 1 | 9419201062 | Klemmkastendeckel | |
| 2 | 9419201019 | Klemmkasten | |
| 3 | 9419201022 | Kugellager / 6204 | |
| 4 | 9419201020 | Spritzring | |
| 5 | 9419201016 | Lüfterrad | |
| 6 | 9419201017 | Lüfterradabdeckung | |
| 7 | 9419201025 | Zugstange | |
| 8 | 9419201012 | Venturidüse | |
| 9 | 9419201011 | Venturirohr | |
| 10 | 9419201036 | Flachdichtung / 55 | |
| 11 | 9419201035 | Flachdichtung | |
| 12 | 9419201034 | O - Ring | |
| 13 | 9419201006 | Deckel f. Leitrad | |
| 14 | 9419201041 | Schraube M5 x 60 | |
| 15 | 9419201005 | Laufrad | |
| 16 | 9419201007 | Leitrad / 2 - teilig | |
| 17 | 9419201031 | O - Ring / groß | |
| 18 | 9419201013 | Mechanische Dichtung | |


Qualitätsmanagement
Informieren Sie uns, wenn Sie einen Fehler gefunden haben.

