Güde HWW CAB 200/100/400 V - 94193 FSL94193-02 Ersatzteile
FSL94193-02 HWW CAB 200/100/400 V - 94193
Gültig für folgende Seriennummern (ersten 5 Ziffern der Geräteseriennummer)
20214 20383 23326 24228 25699 26747 25701 29848 29849

Hier finden Sie die Ersatzteilzeichnung für Güde Pumpentechnik Hauswasserwerke HWW CAB 200/100/400 V - 94193 FSL94193-02. Wählen Sie das benötigte Ersatzteil aus der Ersatzteilliste Ihres Güde Gerätes aus und bestellen Sie einfach online. Viele Güde Ersatzteile halten wir ständig in unserem Lager für Sie bereit.
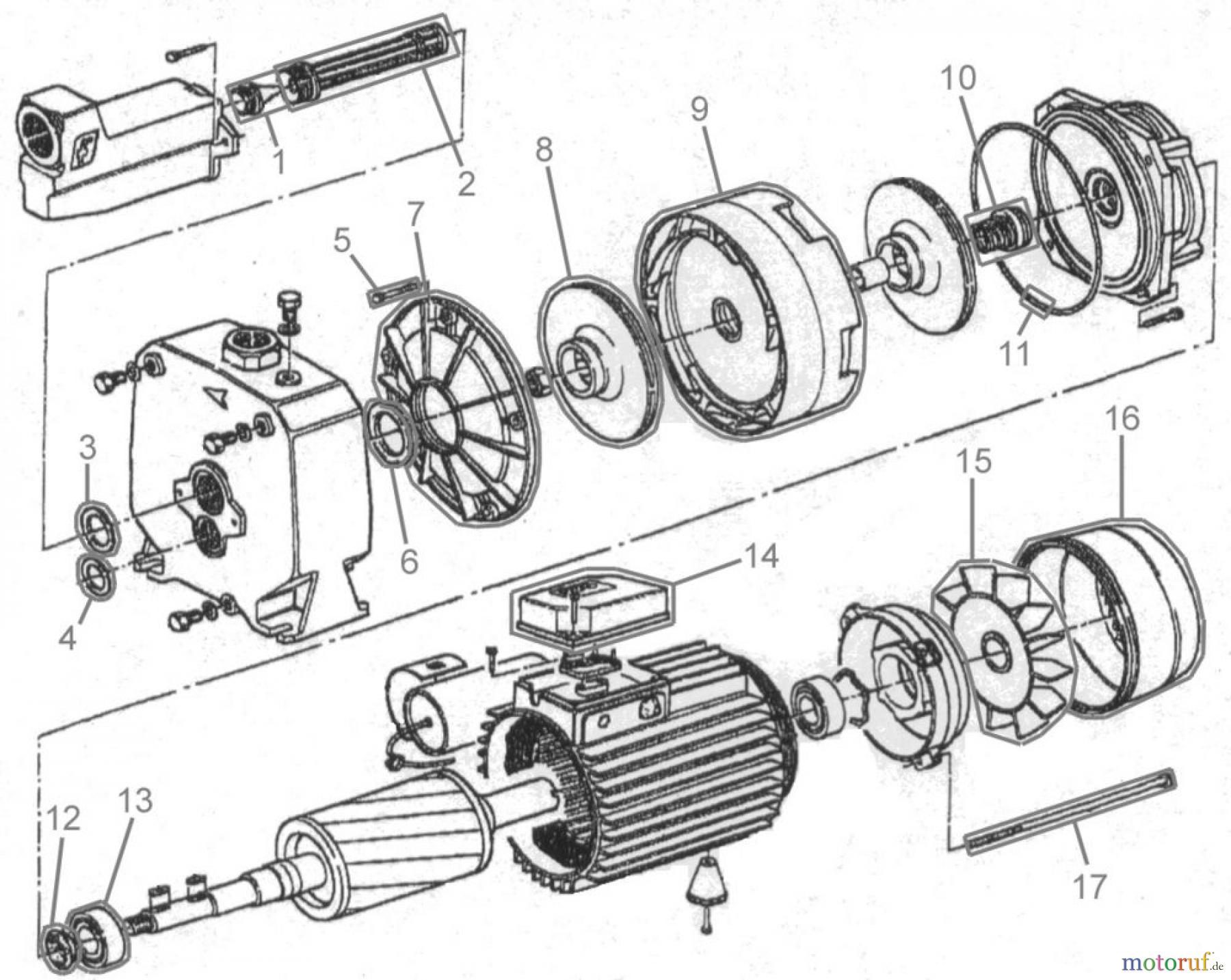
| BildNr | Artikel Nummer | Bezeichnung | |
| 1 | 94192-02012 | Venturidüse | |
| 2 | 94192-02011 | Venturirohr | |
| 3 | 94192-02035 | Flachdichtung / 55 | |
| 4 | 94192-02034 | Flachdichtung | |
| 5 | 94192-02040 | Schraube M5x60 | |
| 6 | 94192-02033 | O-Ring | |
| 7 | 94192-02006 | Deckel für Leitrad | |
| 8 | 94192-02005 | Laufrad | |
| 9 | 94192-02007 | Leitrad / 2-teilig | |
| 10 | 94192-02013 | Mech. Dichtung | |
| 11 | 94192-02030 | O-Ring groß | |
| 12 | 94192-02020 | Spritzring | |
| 13 | 94192-02022 | Kugellager / 6204 | |
| 14 | 94192-02019 | Klemmkasten | |
| 15 | 94192-02016 | Lüfterrad | |
| 16 | 94192-02017 | Lüfterradabdeckung | |
| 17 | 94192-02025 | Zugstange | |
| Abb. | 94192-02101 | Membrane / 100ltr. | |
| Abb. | 94192-02102 | Luftventil / 100 ltr. | |
| Abb. | 94192-02104 | Dichtung für Druckschlauch | |
| Abb. | 94192-02105 | Druckschlauch | |
| Abb. | 94192-02109 | Druckschalter 400 V / Condor | |
| Abb. | 94192-02110 | Kessel / 100ltr. | |


Qualitätsmanagement
Informieren Sie uns, wenn Sie einen Fehler gefunden haben.

