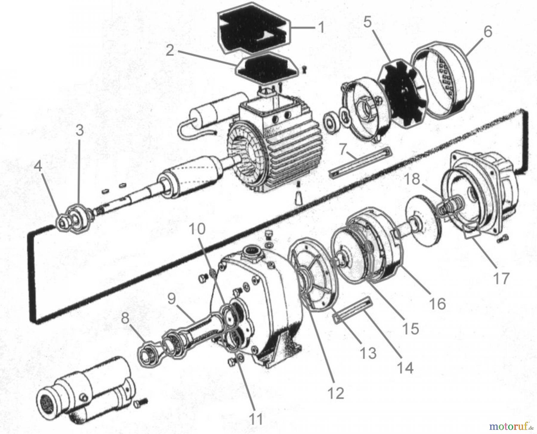
Güde HWW CAB 200/100/400 V - 94193 FSL94193-01 Ersatzteile
FSL94193-01 HWW CAB 200/100/400 V - 94193
Gültig für folgende Seriennummern (ersten 5 Ziffern der Geräteseriennummer)
05344 05606 05714 05793 13338 13339 13340 13341

Hier finden Sie die Ersatzteilzeichnung für Güde Pumpentechnik Hauswasserwerke HWW CAB 200/100/400 V - 94193 FSL94193-01. Wählen Sie das benötigte Ersatzteil aus der Ersatzteilliste Ihres Güde Gerätes aus und bestellen Sie einfach online. Viele Güde Ersatzteile halten wir ständig in unserem Lager für Sie bereit.


Qualitätsmanagement
Informieren Sie uns, wenn Sie einen Fehler gefunden haben.

