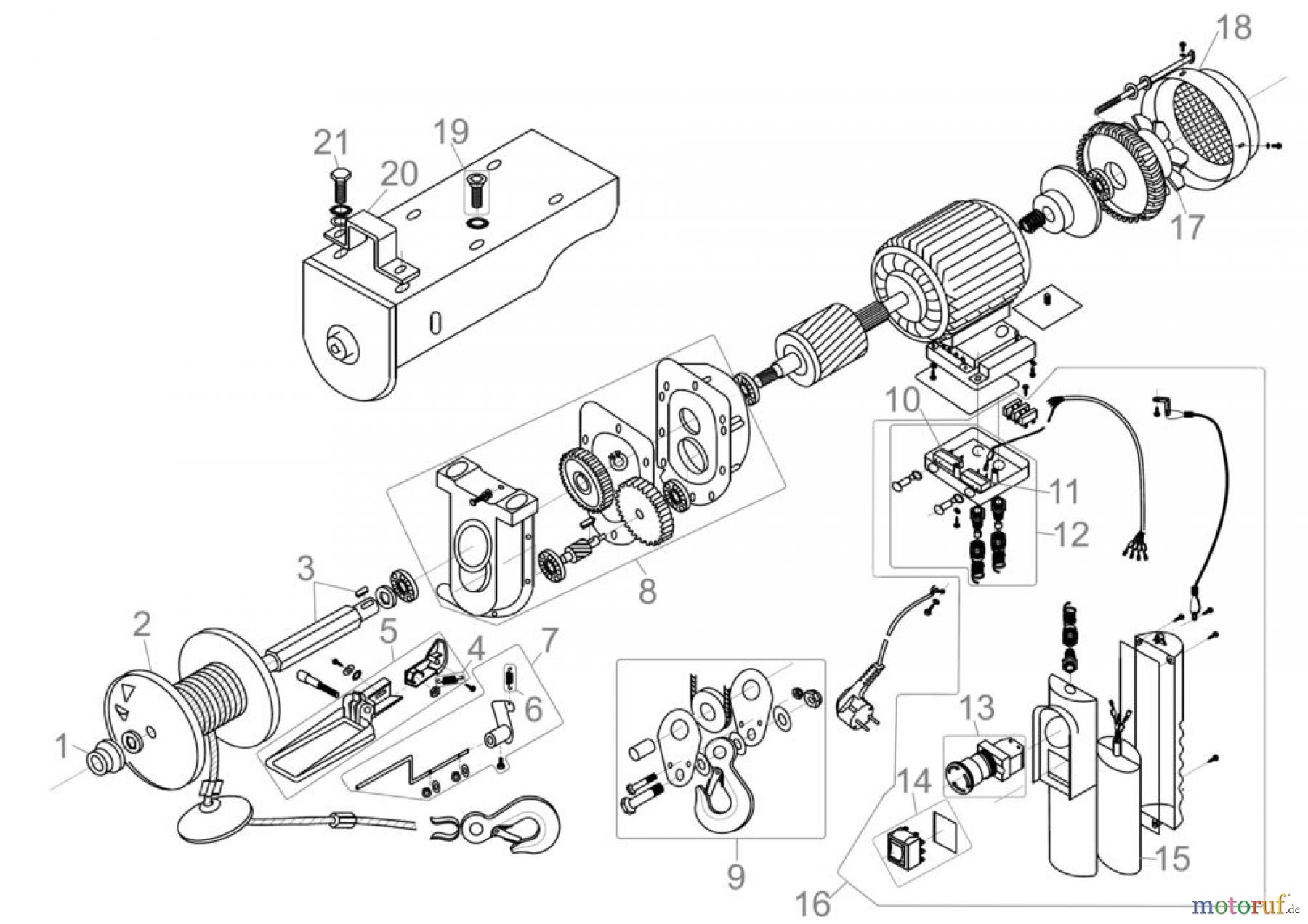
Güde ELEKTRISCHER SEILZUG GSZ 125/250 - 55051 FSL55051-01 Ersatzteile
FSL55051-01 ELEKTRISCHER SEILZUG GSZ 125/250 - 55051
Gültig für folgende Seriennummern (ersten 5 Ziffern der Geräteseriennummer)
58854 58855 60466 60666

Hier finden Sie die Ersatzteilzeichnung für Güde Hebetechnik Seilzüge ELEKTRISCHER SEILZUG GSZ 125/250 - 55051 FSL55051-01. Wählen Sie das benötigte Ersatzteil aus der Ersatzteilliste Ihres Güde Gerätes aus und bestellen Sie einfach online. Viele Güde Ersatzteile halten wir ständig in unserem Lager für Sie bereit.



