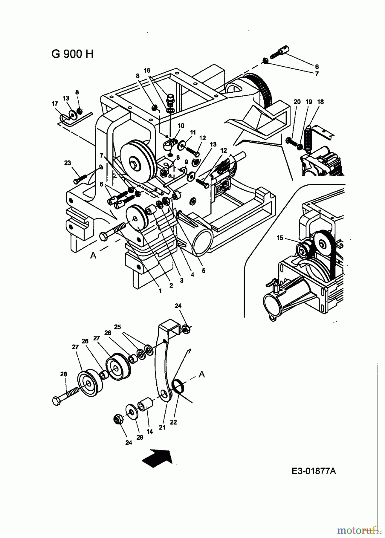
Gutbrod G 900 H 56A-900H690 (2004) Schalthebel Ersatzteile
Schalthebel 56A-900H690 (2004)

Hier finden Sie die Ersatzteilzeichnung für Gutbrod Einachser G 900 H 56A-900H690 (2004) Schalthebel. Wählen Sie das benötigte Ersatzteil aus der Ersatzteilliste Ihres Gutbrod Gerätes aus und bestellen Sie einfach online. Viele Gutbrod Ersatzteile halten wir ständig in unserem Lager für Sie bereit.