Güde STROMERZEUGER GSE 1200 4T - 40639 FSL40639-05 Ersatzteile
FSL40639-05 STROMERZEUGER GSE 1200 4T - 40639
Gültig für folgende Seriennummern (ersten 5 Ziffern der Geräteseriennummer)
60716

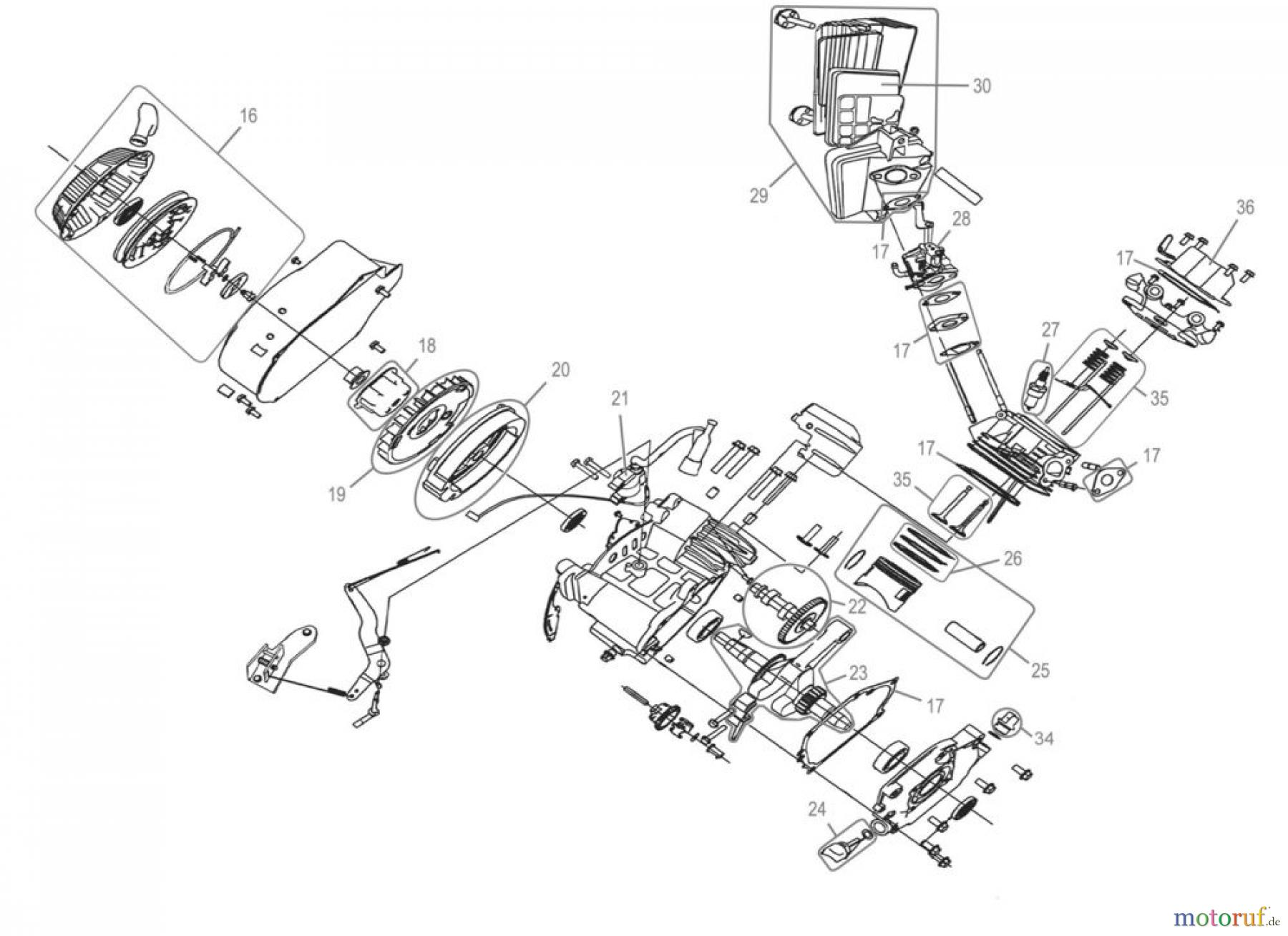
Hier finden Sie die Ersatzteilzeichnung für Güde Stromerzeuger Benzin-Stromerzeuger STROMERZEUGER GSE 1200 4T - 40639 FSL40639-05 Seite 2. Wählen Sie das benötigte Ersatzteil aus der Ersatzteilliste Ihres Güde Gerätes aus und bestellen Sie einfach online. Viele Güde Ersatzteile halten wir ständig in unserem Lager für Sie bereit.


Qualitätsmanagement
Informieren Sie uns, wenn Sie einen Fehler gefunden haben.

