Güde STROMERZEUGER GSE 1200 4T - 40639 FSL40639-04 Ersatzteile
FSL40639-04 STROMERZEUGER GSE 1200 4T - 40639
Gültig für folgende Seriennummern (ersten 5 Ziffern der Geräteseriennummer)
45917 46340 46644 47374 48489 49015 49052 49433 49476 50484 51009 51521 51622 51982 54449 55010 56126 56516 56526 58491

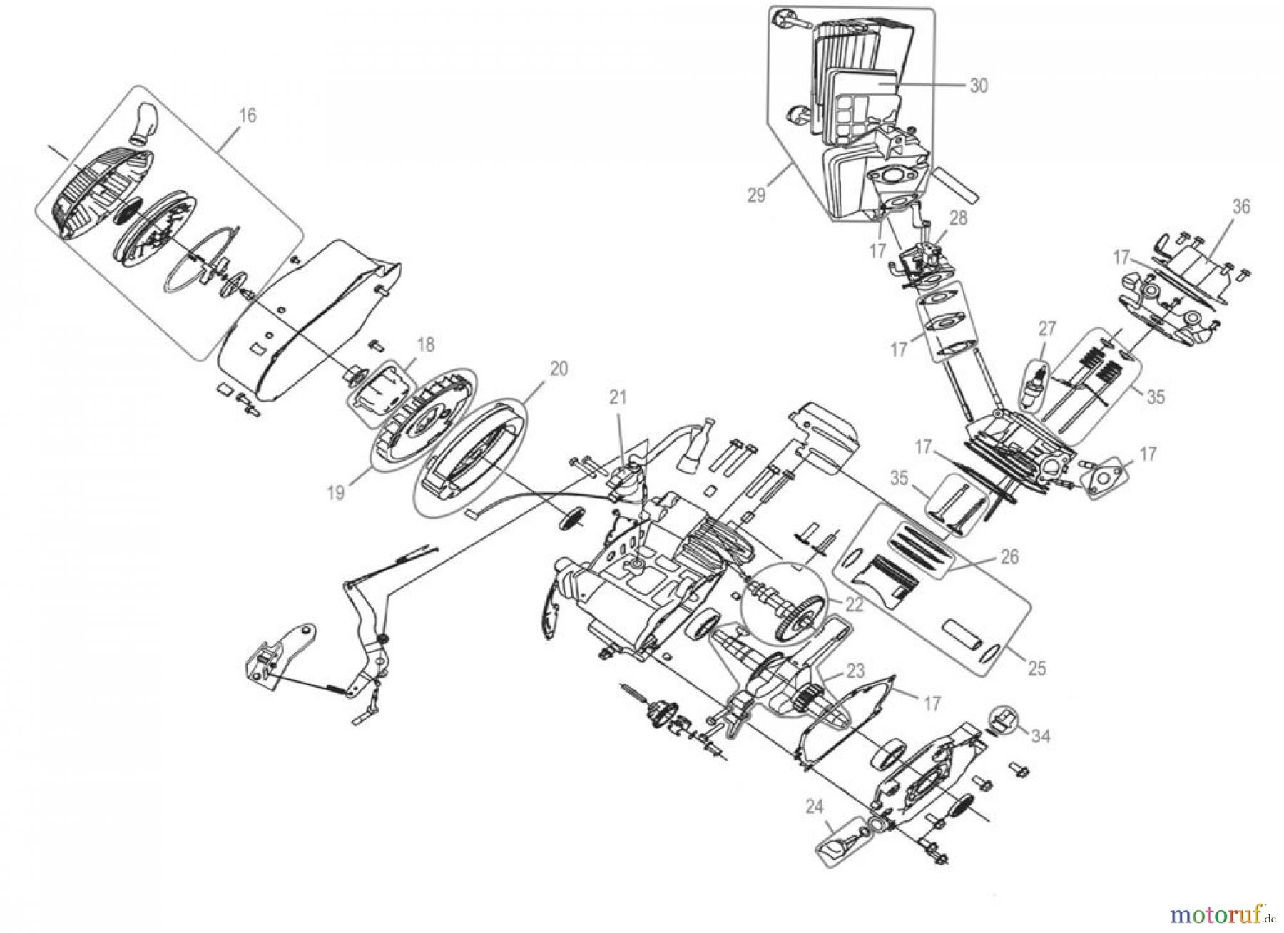
Hier finden Sie die Ersatzteilzeichnung für Güde Stromerzeuger Benzin-Stromerzeuger STROMERZEUGER GSE 1200 4T - 40639 FSL40639-04 Seite 2. Wählen Sie das benötigte Ersatzteil aus der Ersatzteilliste Ihres Güde Gerätes aus und bestellen Sie einfach online. Viele Güde Ersatzteile halten wir ständig in unserem Lager für Sie bereit.


Qualitätsmanagement
Informieren Sie uns, wenn Sie einen Fehler gefunden haben.

