Güde Pro-Serie Kompressoren Ölgeschmiert bis 50l Kessel KOMPRESSOR 275/10/24 PRO - 75501 FSL75501-01 Ersatzteile
FSL75501-01 KOMPRESSOR 275/10/24 PRO - 75501
Gültig für folgende Seriennummern (ersten 5 Ziffern der Geräteseriennummer)
46649

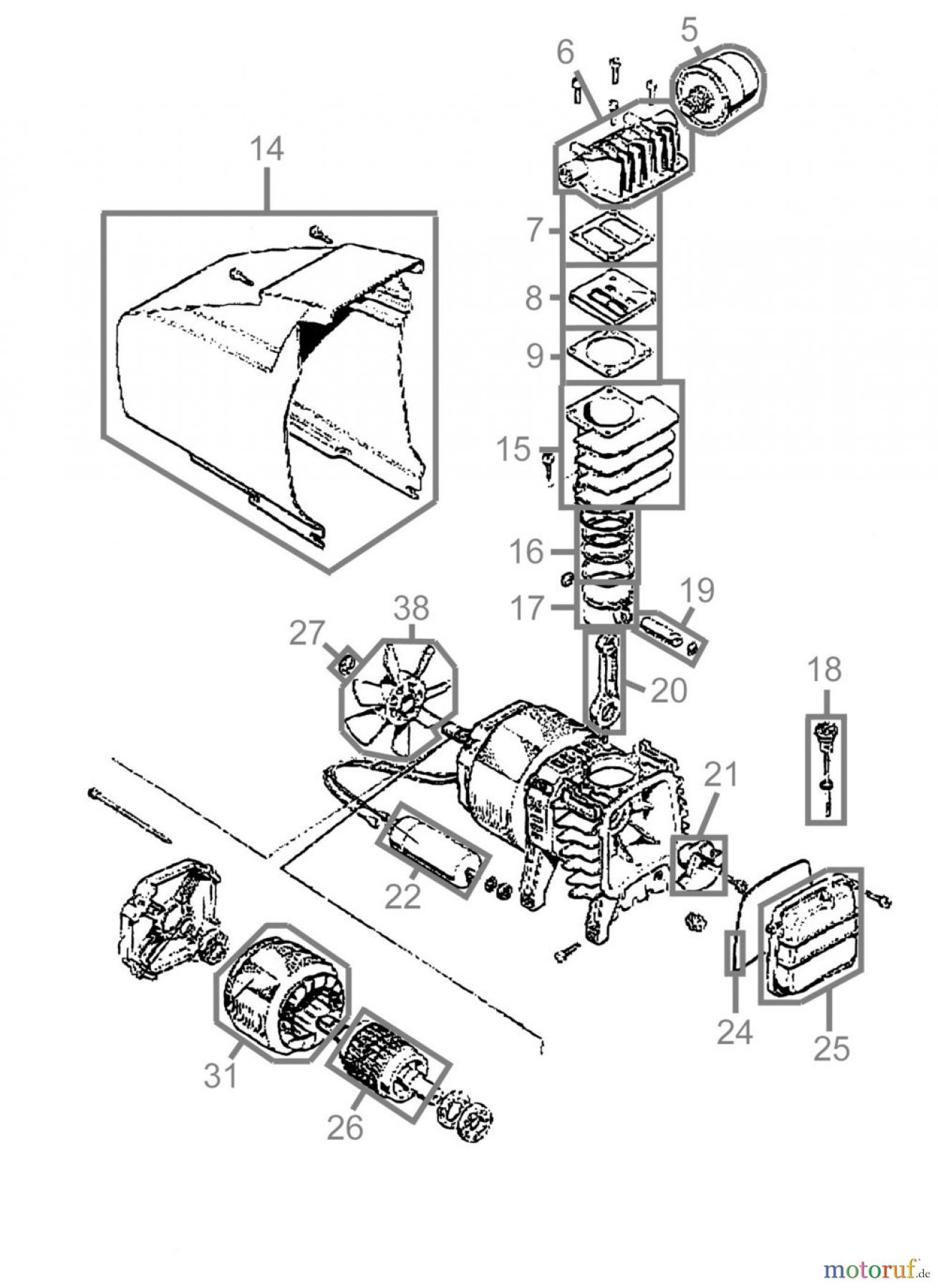
Hier finden Sie die Ersatzteilzeichnung für Güde Pro-Serie PRO-Drucklufttechnik Kompressoren Ölgeschmiert bis 50l Kessel KOMPRESSOR 275/10/24 PRO - 75501 FSL75501-01 Seite 2. Wählen Sie das benötigte Ersatzteil aus der Ersatzteilliste Ihres Güde Pro-Serie Gerätes aus und bestellen Sie einfach online. Viele Güde Pro-Serie Ersatzteile halten wir ständig in unserem Lager für Sie bereit.


Qualitätsmanagement
Informieren Sie uns, wenn Sie einen Fehler gefunden haben.

