Güde ÖLHEIZGEBLÄSE GD 20 IE - 85091 FSL85091-01 Ersatzteile
FSL85091-01 ÖLHEIZGEBLÄSE GD 20 IE - 85091
Gültig für folgende Seriennummern (ersten 5 Ziffern der Geräteseriennummer)
27695 27696 27697 29707 31403 31433 33827 35586 35591 39099 42271 45777 45779

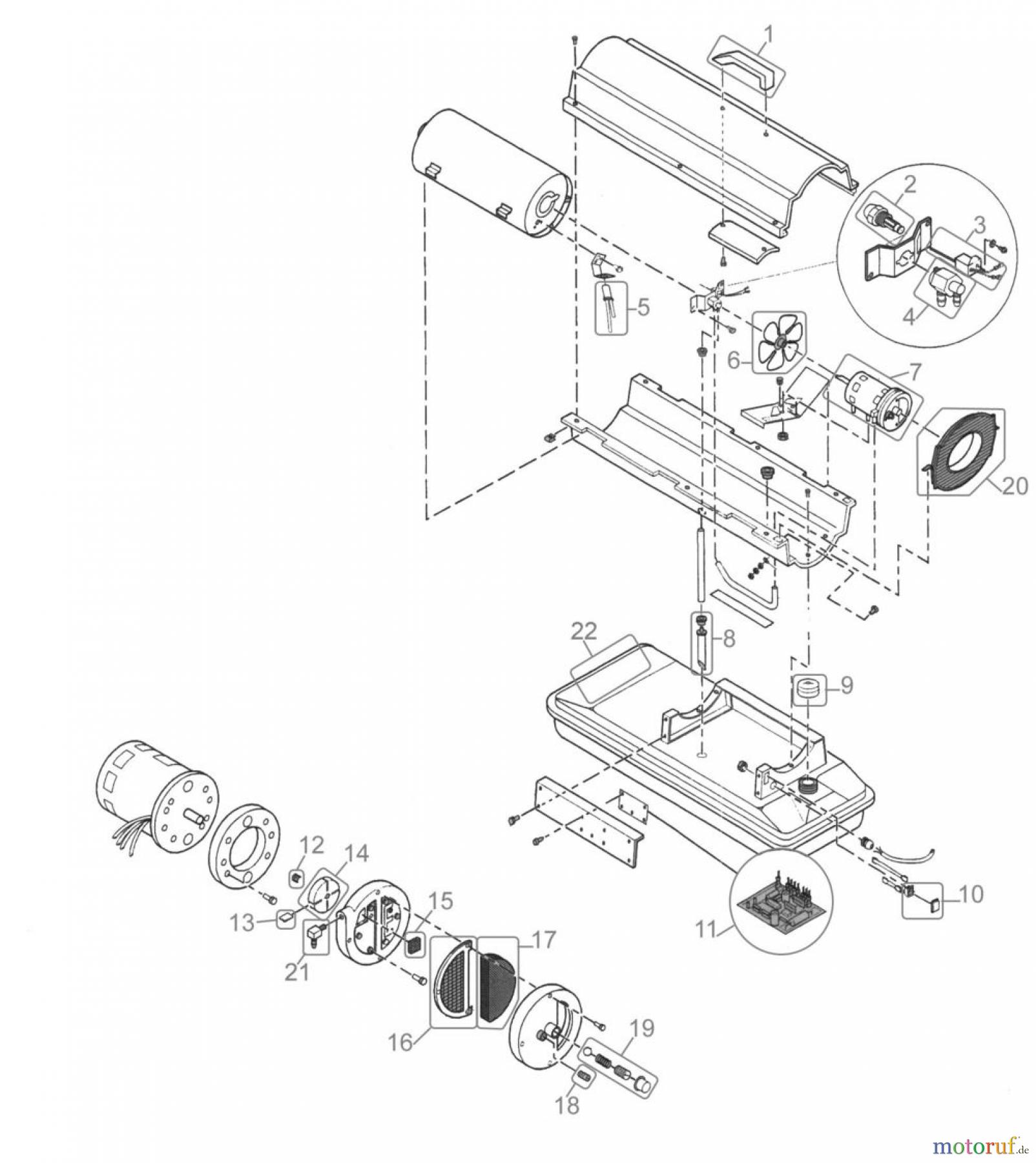
Hier finden Sie die Ersatzteilzeichnung für Güde Heizgeräte Ölheizgeräte ÖLHEIZGEBLÄSE GD 20 IE - 85091 FSL85091-01. Wählen Sie das benötigte Ersatzteil aus der Ersatzteilliste Ihres Güde Gerätes aus und bestellen Sie einfach online. Viele Güde Ersatzteile halten wir ständig in unserem Lager für Sie bereit.



