Einkaufswagen
Mein Konto

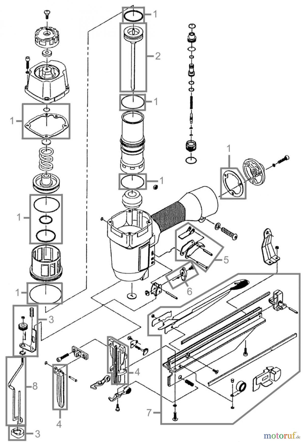
Güde Nagler & Tacker DRUCKLUFT-NAGLER "PROFI" - 40205 FSL40205-02 Ersatzteile

FSL40205-02 DRUCKLUFT-NAGLER "PROFI" - 40205

Gültig für folgende Seriennummern (ersten 5 Ziffern der Geräteseriennummer) 27060 34236 35192 35599 53255 56369 57288 57492
 Güde Drucklufttechnik Druckluftwerkzeuge Nagler & Tacker DRUCKLUFT-NAGLER

Hier finden Sie die Ersatzteilzeichnung für Güde Drucklufttechnik Druckluftwerkzeuge Nagler & Tacker DRUCKLUFT-NAGLER "PROFI" - 40205 FSL40205-02. Wählen Sie das benötigte Ersatzteil aus der Ersatzteilliste Ihres Güde Gerätes aus und bestellen Sie einfach online. Viele Güde Ersatzteile halten wir ständig in unserem Lager für Sie bereit.

Rasen
Bankeinzug, MasterCard, Visa, American Express, PayPal, Nachnahme, Vorauskasse, Sofortüberweisung