Güde Nagler & Tacker DRUCKLUFT-BLINDNIET-SET - 40084 FSL40084-01 Ersatzteile
FSL40084-01 DRUCKLUFT-BLINDNIET-SET - 40084
ültig für folgende Seriennummern (ersten 5 Ziffern der Geräteseriennummer)
41147 53227 55001 57495 58522 59953 61007

Hier finden Sie die Ersatzteilzeichnung für Güde Drucklufttechnik Druckluftwerkzeuge Nagler & Tacker DRUCKLUFT-BLINDNIET-SET - 40084 FSL40084-01. Wählen Sie das benötigte Ersatzteil aus der Ersatzteilliste Ihres Güde Gerätes aus und bestellen Sie einfach online. Viele Güde Ersatzteile halten wir ständig in unserem Lager für Sie bereit.
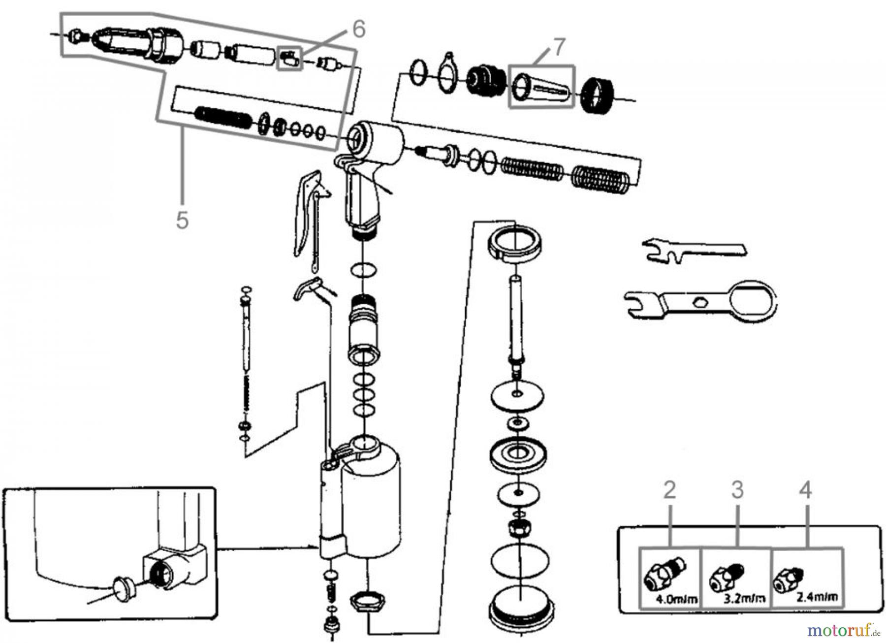
| BildNr | Artikel Nummer | Bezeichnung | |
| 2 | 40084-01002 | NASENSTÜCK 4MM | |
| 3 | 40084-01003 | NASENSTÜCK 3. 2MM | |
| 4 | 40084-01004 | NASENSTÜCK 2. 4MM | |
| 5 | 40084-01005 | NIETKOPF KOMPLETT | |
| 6 | 40084-01006 | KLAUEN 2-ER SET | |
| 7 | 40084-01007 | FANGBEHÄLTER | |
| Abb. | 40084-01001 | NASENSTÜCK 4,8MM | |



