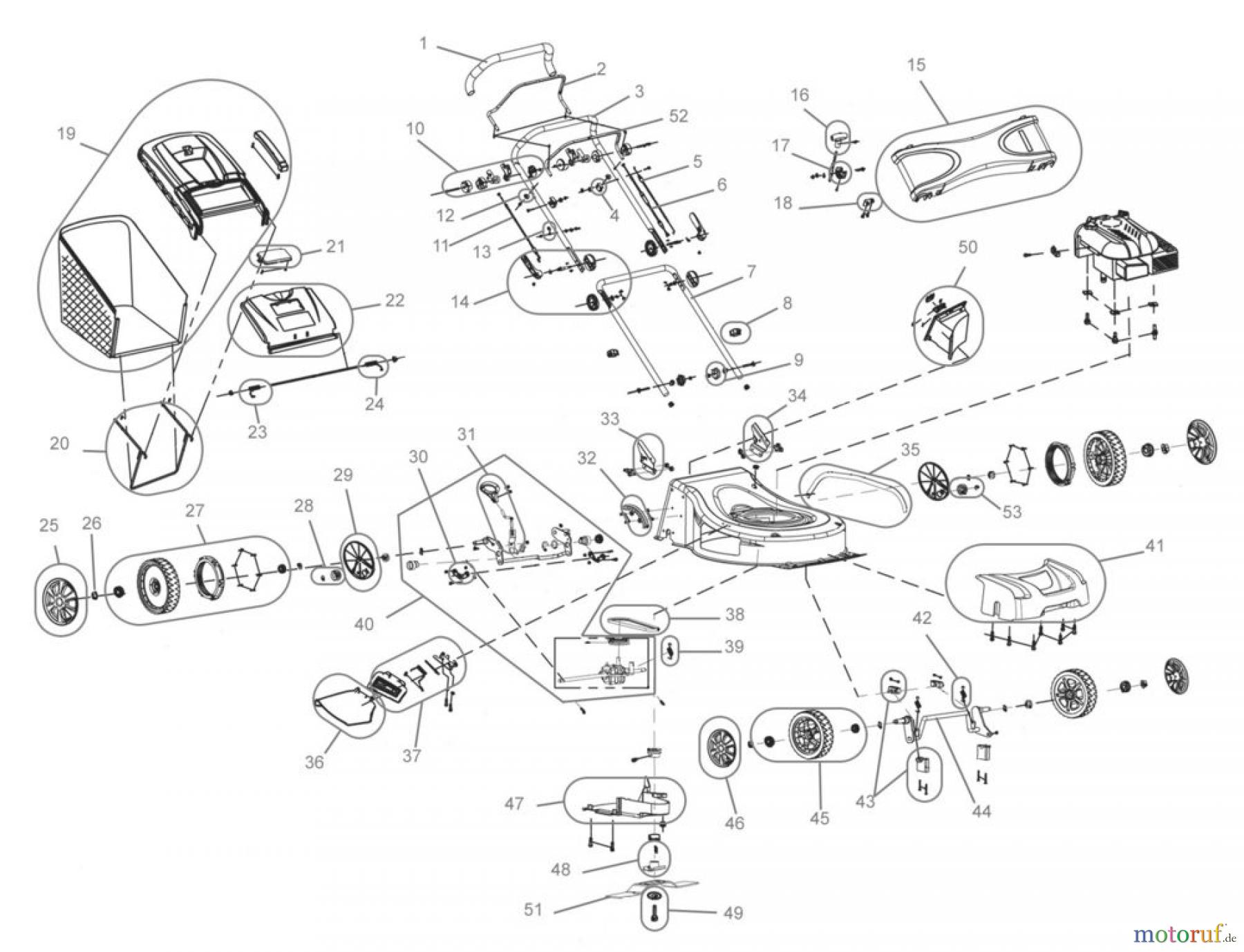
Güde Benzin-Rasenmäher Schnittbreite bis 50 cm RASENMÄHER PM 460 DELUXE 4 IN 1 - 06010 FSL06010-01 Ersatzteile
FSL06010-01 RASENMÄHER PM 460 DELUXE 4 IN 1 - 06010
Gültig für folgende Seriennummern (ersten 5 Ziffern der Geräteseriennummer)
05843 48574 48575 48576 48577 48578 48579 48580 48581 48582 48583 48584 49103 49175 49176 49558 49996 49997 49998

Hier finden Sie die Ersatzteilzeichnung für Güde Gartentechnik Rasenmäher Benzin-Rasenmäher Schnittbreite bis 50 cm RASENMÄHER PM 460 DELUXE 4 IN 1 - 06010 FSL06010-01 Seite 1. Wählen Sie das benötigte Ersatzteil aus der Ersatzteilliste Ihres Güde Gerätes aus und bestellen Sie einfach online. Viele Güde Ersatzteile halten wir ständig in unserem Lager für Sie bereit.



