Güde Benzin-Schneefräse SCHNEEFRÄSE GSF1700- 6,5PS E - 94581 FSL94581-01 Ersatzteile
FSL94581-01 SCHNEEFRÄSE GSF1700- 6,5PS E - 94581
Gültig für folgende Seriennummern (ersten 5 Ziffern der Geräteseriennummer)
51096 51146

Hier finden Sie die Ersatzteilzeichnung für Güde Reinigungsgeräte Schneefräsen Benzin-Schneefräse SCHNEEFRÄSE GSF1700- 6,5PS E - 94581 FSL94581-01 Seite 4. Wählen Sie das benötigte Ersatzteil aus der Ersatzteilliste Ihres Güde Gerätes aus und bestellen Sie einfach online. Viele Güde Ersatzteile halten wir ständig in unserem Lager für Sie bereit.
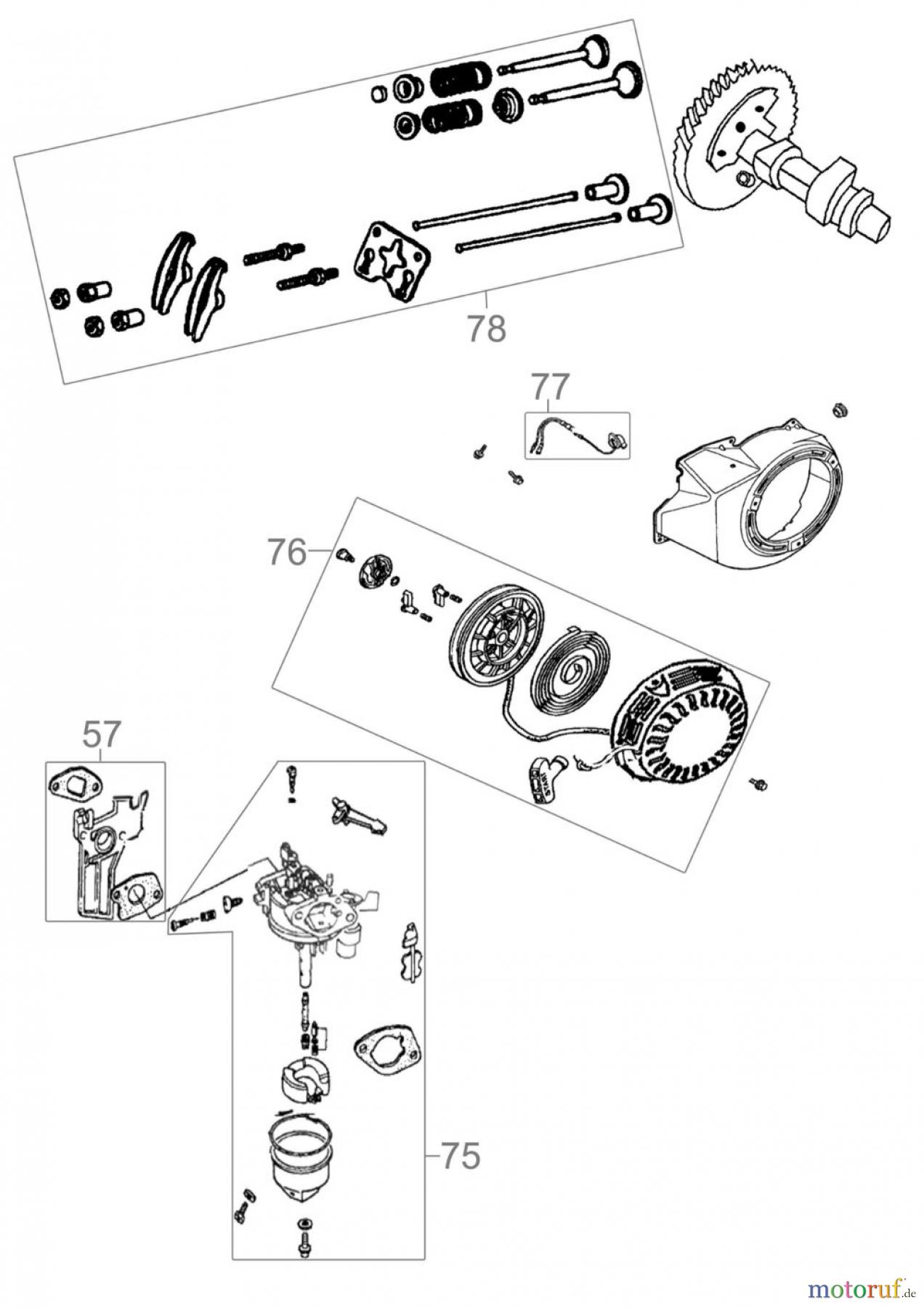
| BildNr | Artikel Nummer | Bezeichnung | |
| 57 | 94581-01057 | DICHTUNGSSATZ MOTOR KPL. | |
| 75 | 94581-01075 | VERGASER | |
| 76 | 94574-01083 | ANWERFEREINHEIT | |
| 77 | 94581-01077 | SCHALTER | |
| 78 | 94581-01078 | VENTILSATZ KPL. | |


Qualitätsmanagement
Informieren Sie uns, wenn Sie einen Fehler gefunden haben.

