Güde Benzin-Schneefräse SCHNEEFRÄSE GSF1700- 6,5PS - 94578 FSL94578-02 Ersatzteile
FSL94578-02 SCHNEEFRÄSE GSF1700- 6,5PS - 94578
Gültig für folgende Seriennummern (ersten 5 Ziffern der Geräteseriennummer)
51095 51121 51181 53953 54074 55794 58131

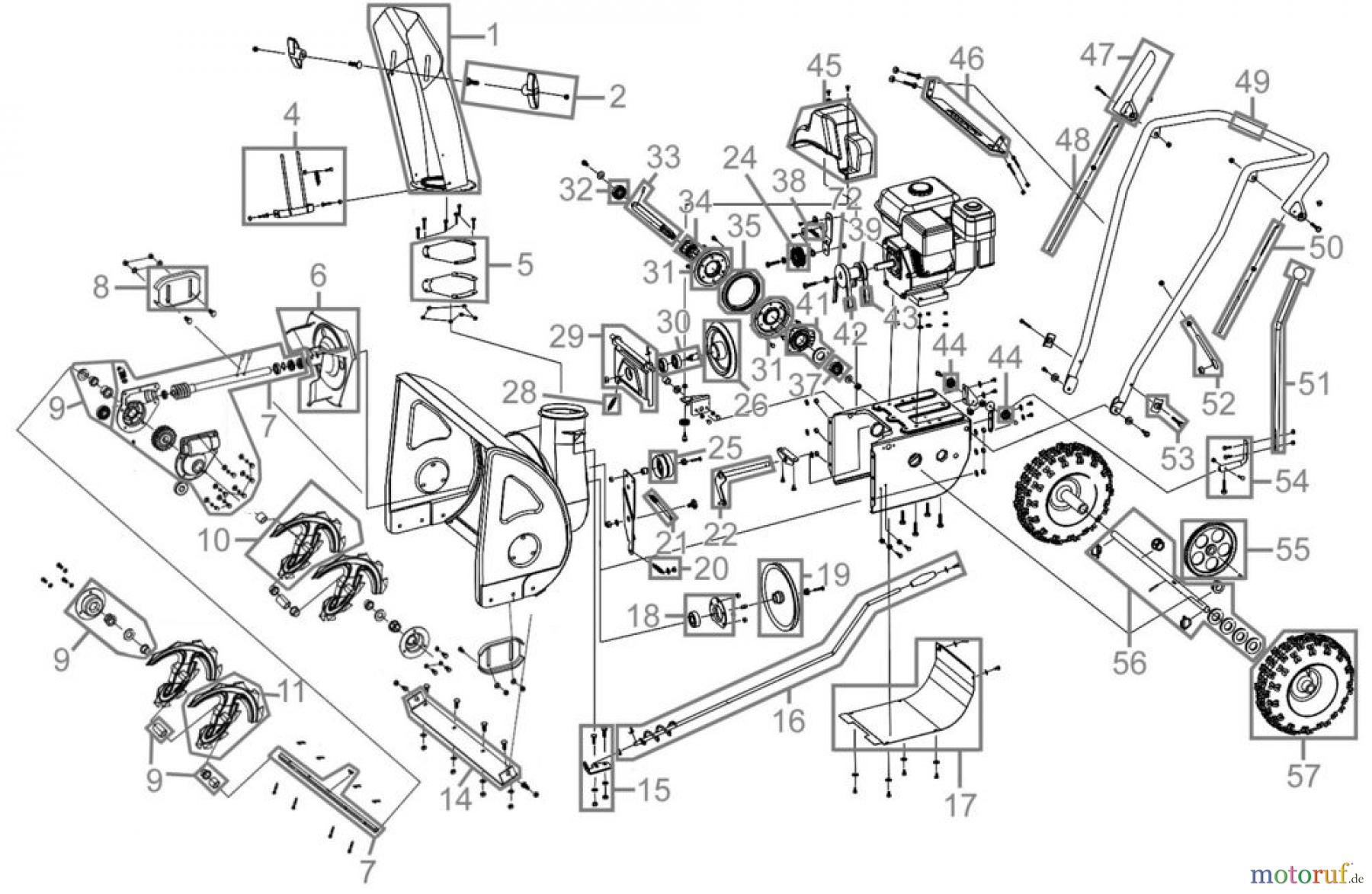
Hier finden Sie die Ersatzteilzeichnung für Güde Reinigungsgeräte Schneefräsen Benzin-Schneefräse SCHNEEFRÄSE GSF1700- 6,5PS - 94578 FSL94578-02 Seite 1. Wählen Sie das benötigte Ersatzteil aus der Ersatzteilliste Ihres Güde Gerätes aus und bestellen Sie einfach online. Viele Güde Ersatzteile halten wir ständig in unserem Lager für Sie bereit.


Qualitätsmanagement
Informieren Sie uns, wenn Sie einen Fehler gefunden haben.


