Güde Benzin-Rasenmäher Schnittbreite bis 50 cm RASENMÄHER BIG WHEELER 460 4IN1 - 95333 FSL95333-01 Ersatzteile
FSL95333-01 RASENMÄHER BIG WHEELER 460 4IN1 - 95333
Gültig für folgende Seriennummern (ersten 5 Ziffern der Geräteseriennummer)
54870 54871 54872 54873 54874 56145 58773 59165

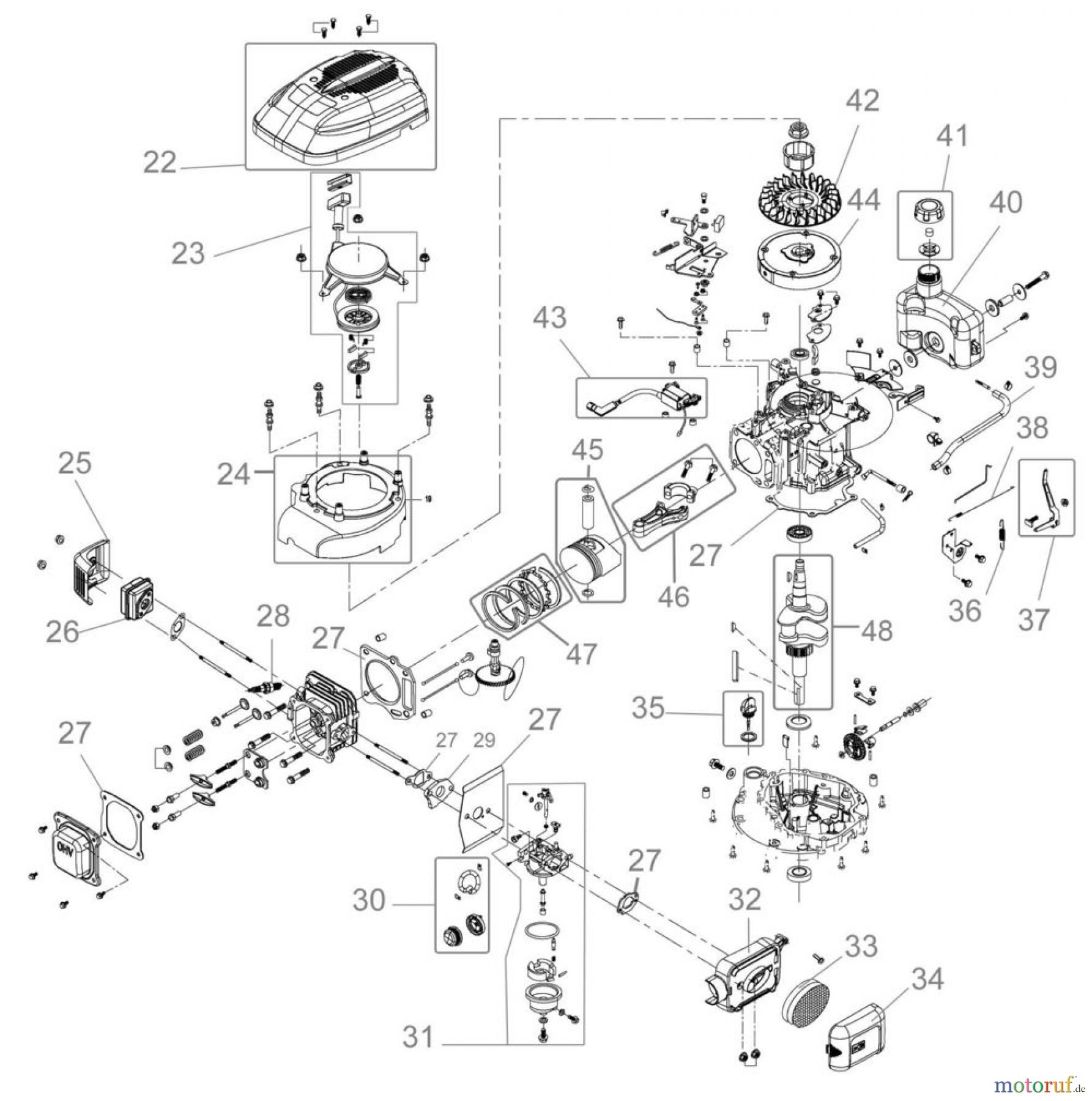
Hier finden Sie die Ersatzteilzeichnung für Güde Gartentechnik Rasenmäher Benzin-Rasenmäher Schnittbreite bis 50 cm RASENMÄHER BIG WHEELER 460 4IN1 - 95333 FSL95333-01 Seite 2. Wählen Sie das benötigte Ersatzteil aus der Ersatzteilliste Ihres Güde Gerätes aus und bestellen Sie einfach online. Viele Güde Ersatzteile halten wir ständig in unserem Lager für Sie bereit.


Qualitätsmanagement
Informieren Sie uns, wenn Sie einen Fehler gefunden haben.



