Güde Benzin-Schneefräse SCHNEEFRÄSE GRSF 11 PS - 94575 FSL94575-02 Ersatzteile
FSL94575-02 SCHNEEFRÄSE GRSF 11 PS - 94575
Gültig für folgende Seriennummern (ersten 5 Ziffern der Geräteseriennummer)
53954 55793 58130

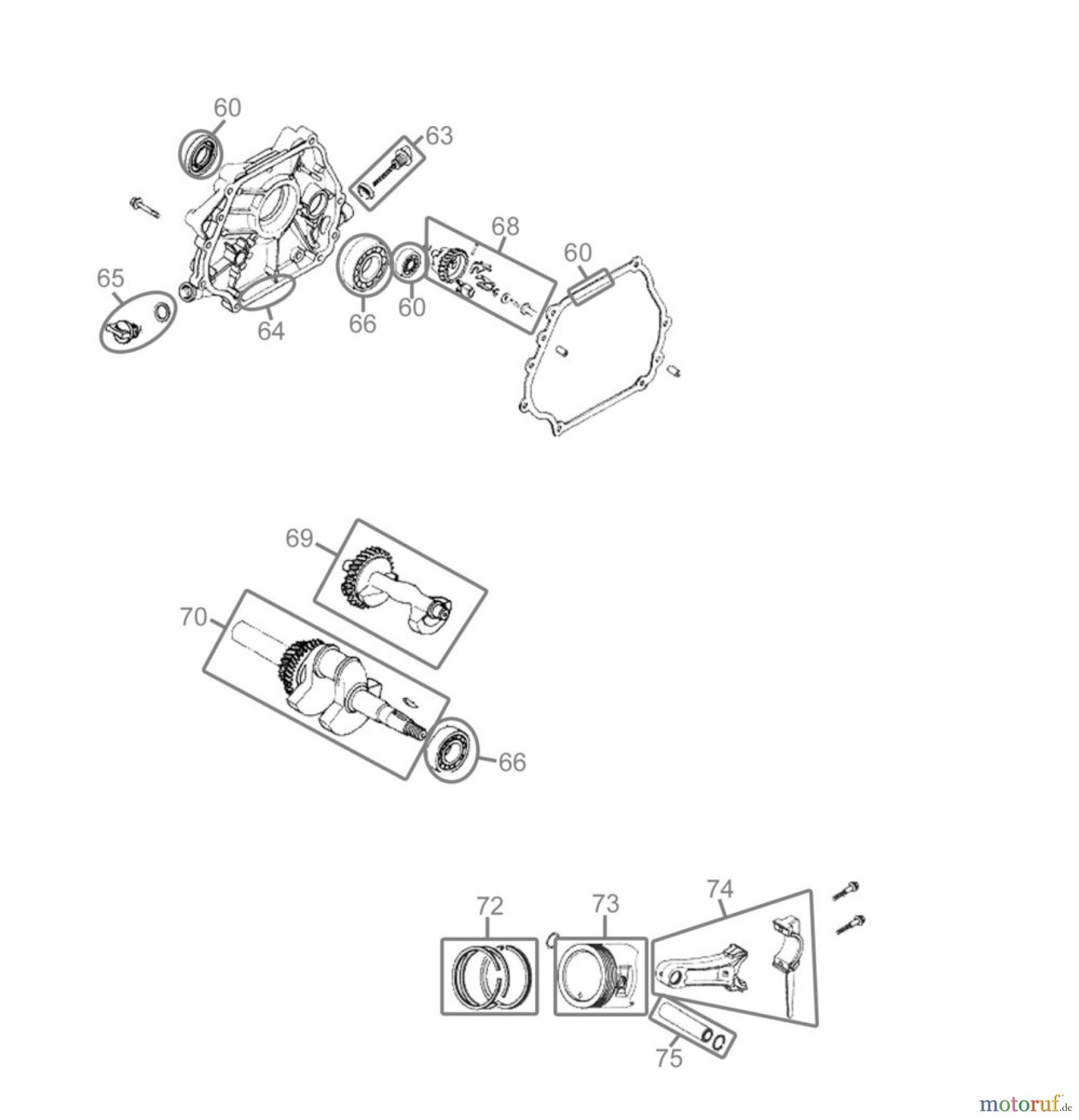
Hier finden Sie die Ersatzteilzeichnung für Güde Reinigungsgeräte Schneefräsen Benzin-Schneefräse SCHNEEFRÄSE GRSF 11 PS - 94575 FSL94575-02 Seite 3. Wählen Sie das benötigte Ersatzteil aus der Ersatzteilliste Ihres Güde Gerätes aus und bestellen Sie einfach online. Viele Güde Ersatzteile halten wir ständig in unserem Lager für Sie bereit.


Qualitätsmanagement
Informieren Sie uns, wenn Sie einen Fehler gefunden haben.

