Güde Tiefbrunnenpumpen TIEFBRUNNENPUMPE GTT 900 - 94138 FSL94138-02 Ersatzteile
FSL94138-02 TIEFBRUNNENPUMPE GTT 900 - 94138
Gültig für folgende Seriennummern (ersten 5 Ziffern der Geräteseriennummer)
45020 46804 51484 52303

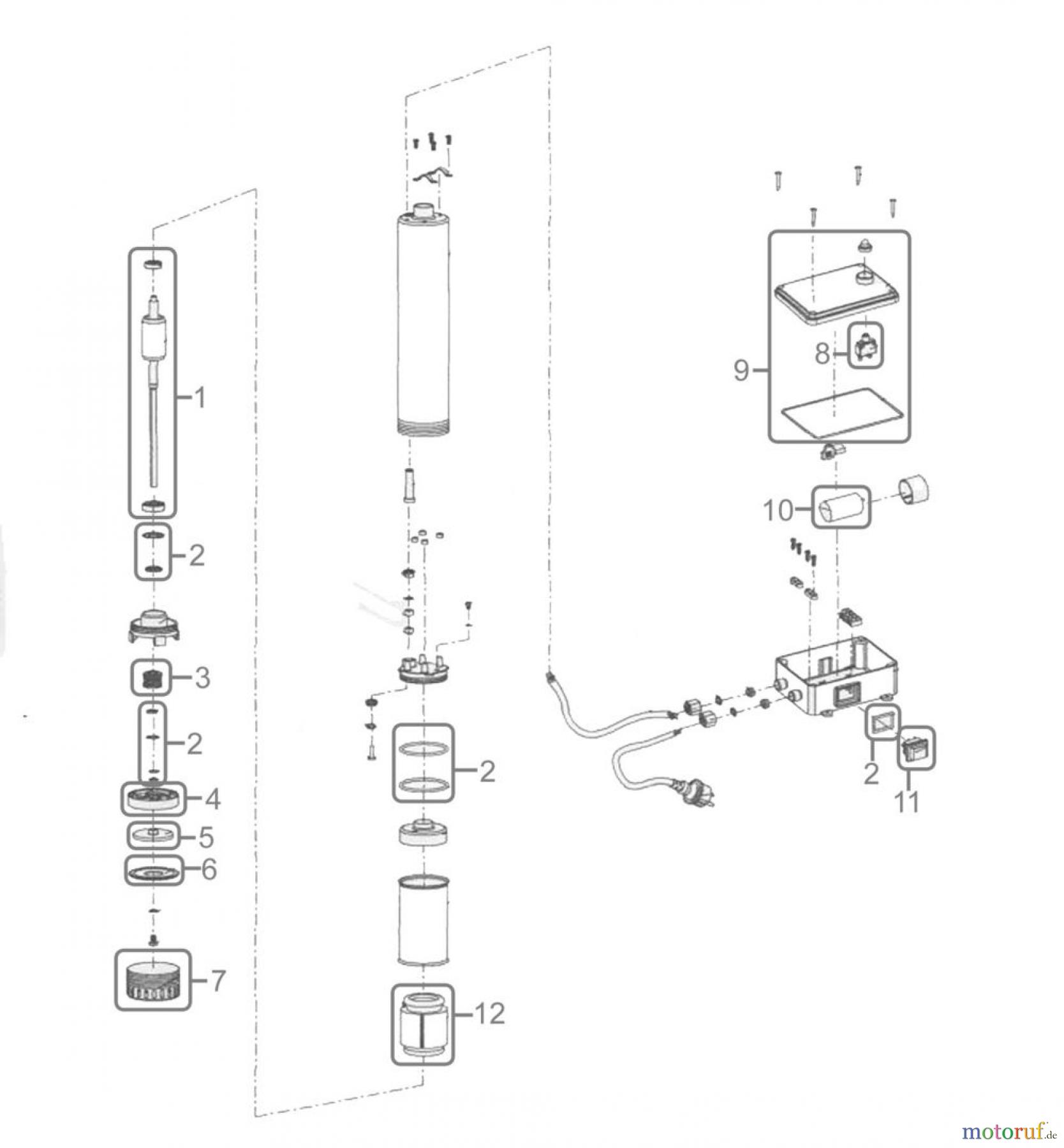
Hier finden Sie die Ersatzteilzeichnung für Güde Pumpentechnik Tauchpumpen Tiefbrunnenpumpen TIEFBRUNNENPUMPE GTT 900 - 94138 FSL94138-02. Wählen Sie das benötigte Ersatzteil aus der Ersatzteilliste Ihres Güde Gerätes aus und bestellen Sie einfach online. Viele Güde Ersatzteile halten wir ständig in unserem Lager für Sie bereit.
| BildNr | Artikel Nummer | Bezeichnung | |
| 1 | 94138-02001 | ROTOR KPL. | |
| 2 | 94138-02002 | DICHTUNGSSATZ | |
| 3 | 94138-02003 | MECHANISCHE DICHTUNG | |
| 4 | 94138-02004 | DIFFUSOR | |
| 5 | 94138-02005 | LAUFRAD | |
| 6 | 94138-02006 | DIFFUSOR | |
| 7 | 94138-02007 | PUMPENBODEN | |
| 8 | 94138-02008 | ÜBERLASTSCHALTER | |
| 9 | 94138-02009 | KLEMMKASTENDECKEL | |
| 10 | 94138-02010 | KONDENSATOR | |
| 11 | 94138-02011 | SCHALTER EIN / AUS | |
| 12 | 94138-02012 | STATOR | |
| Abb. | 94138-02013 | LAUFRADSATZ | |


Qualitätsmanagement
Informieren Sie uns, wenn Sie einen Fehler gefunden haben.

