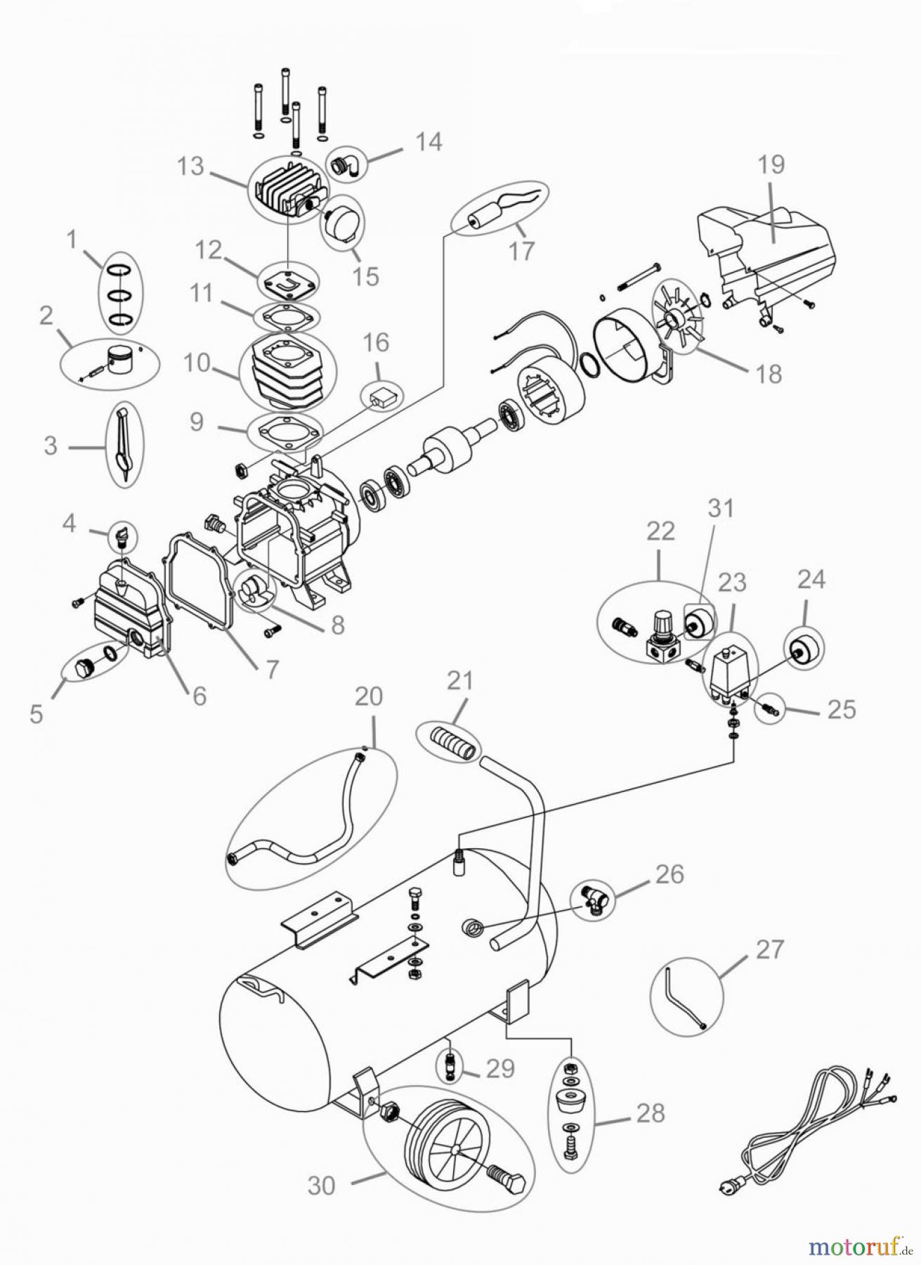
Güde Ölgeschmiert bis 50l Kessel KOMPRESSORSET 210/8/24 12-TLG - 71165 FSL71165-01 Ersatzteile
FSL71165-01 KOMPRESSORSET 210/8/24 12-TLG - 71165
Gültig für folgende Seriennummern (ersten 5 Ziffern der Geräteseriennummer)
50629 50630 50631 50632 50633 50634 50848 50849 50850 51759 51760 52699 52700 52701 52901 52940 53021 53022 53023 53024 53025 53451 53452 53453 53454 53455 53456 53457 53633 55099 55100 55101 55665 55666 55667 55698 56284 56656 57008 57092 57169 57793 57848 57849 57850 57918 57919 57920 57949 58028 58029 58252 58367 58454 58494 59978 60159 60345 60344 60467 60468 60581 60582 60868

Hier finden Sie die Ersatzteilzeichnung für Güde Drucklufttechnik Kompressoren-Sets Ölgeschmiert bis 50l Kessel KOMPRESSORSET 210/8/24 12-TLG - 71165 FSL71165-01. Wählen Sie das benötigte Ersatzteil aus der Ersatzteilliste Ihres Güde Gerätes aus und bestellen Sie einfach online. Viele Güde Ersatzteile halten wir ständig in unserem Lager für Sie bereit.


Qualitätsmanagement
Informieren Sie uns, wenn Sie einen Fehler gefunden haben.


