Güde SÄGEKETTEN-NIETSTEMPEL GNS - 94067 FSL94067-01 Ersatzteile
FSL94067-01 SÄGEKETTEN-NIETSTEMPEL GNS - 94067
Gültig für folgende Seriennummern (ersten 5 Ziffern der Geräteseriennummer)
37951

Hier finden Sie die Ersatzteilzeichnung für Güde Brennholzbearbeitung weitere Geräte SÄGEKETTEN-NIETSTEMPEL GNS - 94067 FSL94067-01. Wählen Sie das benötigte Ersatzteil aus der Ersatzteilliste Ihres Güde Gerätes aus und bestellen Sie einfach online. Viele Güde Ersatzteile halten wir ständig in unserem Lager für Sie bereit.
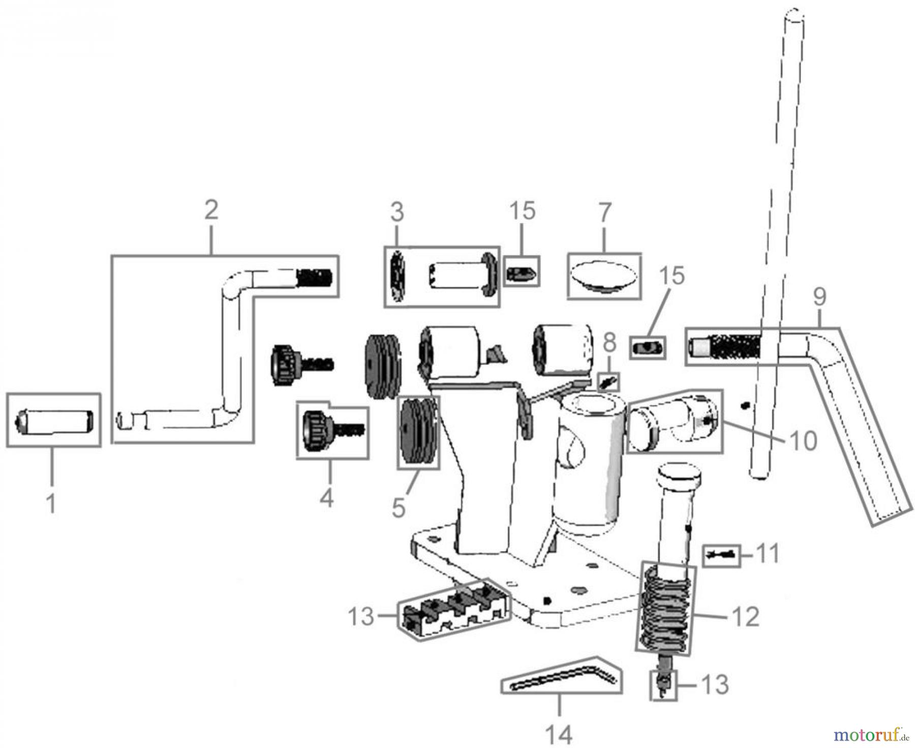
| BildNr | Artikel Nummer | Bezeichnung | |
| 1 | 94067-01001 | HANDGRIFF | |
| 2 | 94067-01002 | NIETFORMKURBEL | |
| 3 | 94067-01003 | AUFNAHME NIETFORMER | |
| 4 | 94067-01004 | FESTSTELLSCHRAUBE | |
| 5 | 94067-01005 | FÜHRUNGSROLLE | |
| 7 | 94067-01007 | ABDECKUNG | |
| 8 | 94067-01008 | MADENSCHRAUBE | |
| 9 | 94067-01009 | ZUSTELLHEBEL | |
| 10 | 94067-01010 | EXZENTER | |
| 11 | 94067-01008 | MADENSCHRAUBE | |
| 12 | 94067-01012 | FEDER | |
| 13 | 94067-01013 | ENTNIETDORN / BRÜCKE SET | |
| 14 | 94067-01014 | ZUBEHÖR | |
| 15 | 94065 | ZUBEHÖR NIETSTEMPEL 94067 | |



