Güde HOCHDRUCKREINIGER HPC 150 M - 86020 FSL86020-01 Ersatzteile
FSL86020-01 HOCHDRUCKREINIGER HPC 150 M - 86020
Gültig für folgende Seriennummern (ersten 5 Ziffern der Geräteseriennummer)
40452

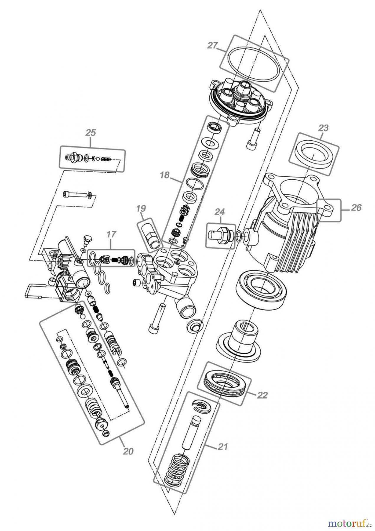
Hier finden Sie die Ersatzteilzeichnung für Güde Reinigungsgeräte Hochdruckreiniger HOCHDRUCKREINIGER HPC 150 M - 86020 FSL86020-01 Seite 2. Wählen Sie das benötigte Ersatzteil aus der Ersatzteilliste Ihres Güde Gerätes aus und bestellen Sie einfach online. Viele Güde Ersatzteile halten wir ständig in unserem Lager für Sie bereit.


Qualitätsmanagement
Informieren Sie uns, wenn Sie einen Fehler gefunden haben.

