Güde bis 500 mm Ø-Sägeblatt WIPPSÄGE GWS 450 ECO - 01837 FSL01837-02 Ersatzteile
FSL01837-02 WIPPSÄGE GWS 450 ECO - 01837
Gültig für folgende Seriennummern (ersten 5 Ziffern der Geräteseriennummer)
47270 47573 47954 47955 48747 48748 48749 49335 49505 49506 49507 50004 50005 50910 50911 51022 51023 52589 52928 53084 53487 53827 54269 54443 54701 55111 55158

Hier finden Sie die Ersatzteilzeichnung für Güde Brennholzbearbeitung Brennholzsägen bis 500 mm Ø-Sägeblatt WIPPSÄGE GWS 450 ECO - 01837 FSL01837-02 . Wählen Sie das benötigte Ersatzteil aus der Ersatzteilliste Ihres Güde Gerätes aus und bestellen Sie einfach online. Viele Güde Ersatzteile halten wir ständig in unserem Lager für Sie bereit.
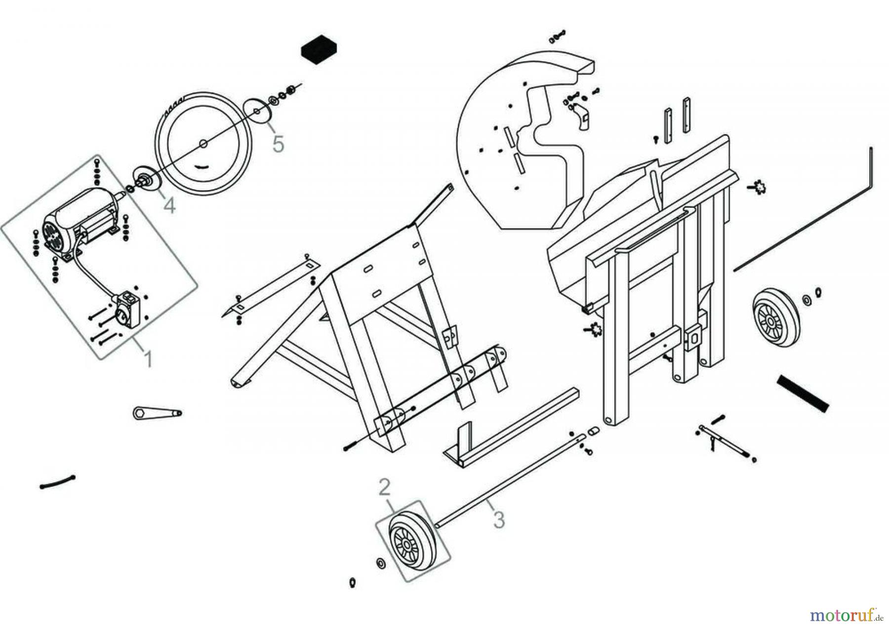
| BildNr | Artikel Nummer | Bezeichnung | |
| 1 | 69545 | MOTOR KPL. ZU 1837 | |
| 2 | 1837-01002 | RAD | |
| 3 | 1837-01003 | ACHSE KPL. | |
| 4 | 1837-01004 | INNENFLANSCH | |
| 5 | 1837-01005 | AUSSENFLANSCH | |
| Abb. | 1835 | SÄGEBLATT 450 MM FÜR 1837 | |
| Abb. | 1837-01006 | LÜFTERRAD MOTOR | |
| Abb. | 1837-01007 | LÜFTERRADABDECKUNG MOTOR | |
| Abb. | 1837-01008 | SCHALTER | |


Qualitätsmanagement
Informieren Sie uns, wenn Sie einen Fehler gefunden haben.

