Güde bis 500 mm Ø-Sägeblatt WIPPSÄGE GWS 450 ECO - 01837 FSL01837-01 Ersatzteile
FSL01837-01 WIPPSÄGE GWS 450 ECO - 01837
Gültig für folgende Seriennummern (ersten 5 Ziffern der Geräteseriennummer)
38464 38465 38466 38467 38468 38469 38470 38471 38472 38473 40676 41047 41124 41354 41355 41356 41357 42016 42018 42019 42020 42723 42899 42900 42901 43246 43249 43250 43251 43383 43384 43385 43386 44076 44077 44091 44142 44143 44144 44145 44332 44333 44334 46116 46117 46118 46119 46534 46587 46588 46589

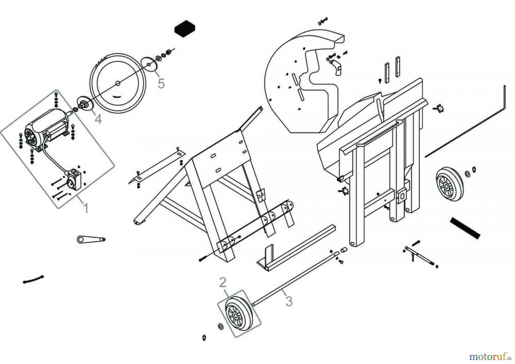
Hier finden Sie die Ersatzteilzeichnung für Güde Brennholzbearbeitung Brennholzsägen bis 500 mm Ø-Sägeblatt WIPPSÄGE GWS 450 ECO - 01837 FSL01837-01 . Wählen Sie das benötigte Ersatzteil aus der Ersatzteilliste Ihres Güde Gerätes aus und bestellen Sie einfach online. Viele Güde Ersatzteile halten wir ständig in unserem Lager für Sie bereit.
| BildNr | Artikel Nummer | Bezeichnung | |
| 1 | 69556 | MOTOR KPL. ZU 1837 (ALT) | |
| 2 | 1837-01002 | RAD | |
| 3 | 1837-01003 | ACHSE KPL. | |
| 4 | 1837-01004 | INNENFLANSCH | |
| 5 | 1837-01005 | AUSSENFLANSCH | |
| Abb. | 1835 | SÄGEBLATT 450 MM FÜR 1837 | |
| Abb. | 1837-01006 | LÜFTERRAD MOTOR | |
| Abb. | 1837-01007 | LÜFTERRADABDECKUNG MOTOR | |
| Abb. | 1837-01008 | SCHALTER | |


Qualitätsmanagement
Informieren Sie uns, wenn Sie einen Fehler gefunden haben.

