Güde bis 500 mm Ø-Sägeblatt WIPPSÄGE GWS 500 HM - 01817 FSL01817-01 Ersatzteile
FSL01817-01 WIPPSÄGE GWS 500 HM - 01817
Gültig für folgende Seriennummern (ersten 5 Ziffern der Geräteseriennummer)
53634 53635 53636 53637 53638 53639 53640 53641 53642 53643 53644 53645 53646 53647 53975 56995 57853 58020 58244 58901 59480 60335 60464 60571 60572 60767 60572

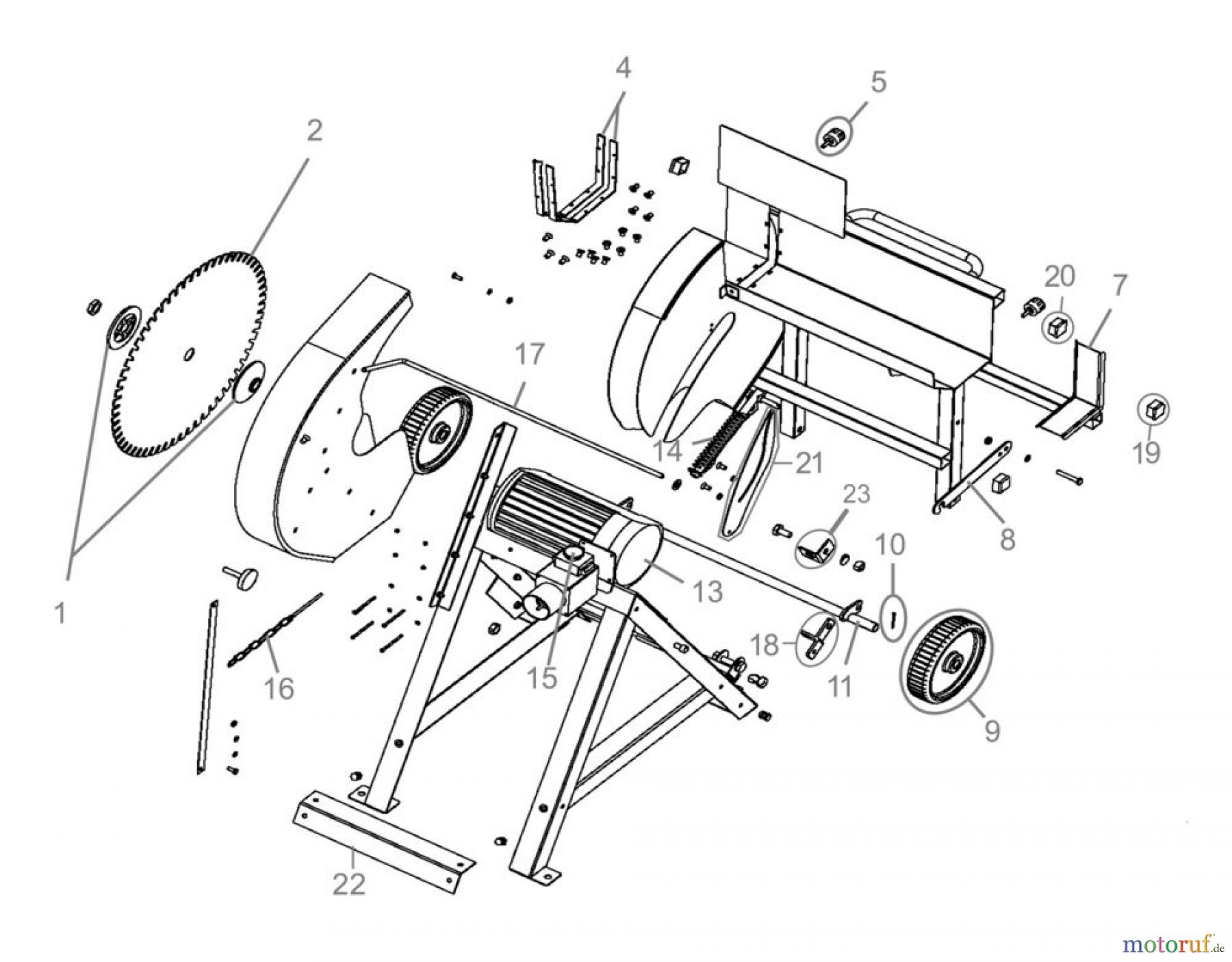
Hier finden Sie die Ersatzteilzeichnung für Güde Brennholzbearbeitung Brennholzsägen bis 500 mm Ø-Sägeblatt WIPPSÄGE GWS 500 HM - 01817 FSL01817-01. Wählen Sie das benötigte Ersatzteil aus der Ersatzteilliste Ihres Güde Gerätes aus und bestellen Sie einfach online. Viele Güde Ersatzteile halten wir ständig in unserem Lager für Sie bereit.


Qualitätsmanagement
Informieren Sie uns, wenn Sie einen Fehler gefunden haben.

