Güde Benzin Kettensägen MOTORKETTENSÄGE KS 350 B - 94086 FSL94086-02 Ersatzteile
FSL94086-02 MOTORKETTENSÄGE KS 350 B - 94086
Gültig für folgende Seriennummern (ersten 5 Ziffern der Geräteseriennummer)
38161 38208 38389

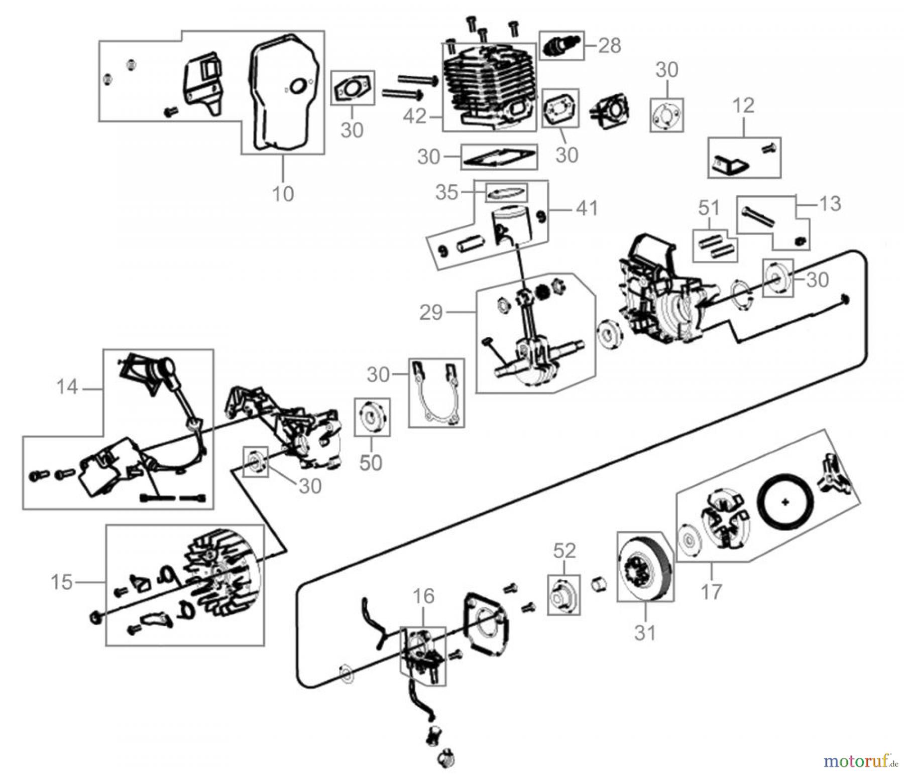
Hier finden Sie die Ersatzteilzeichnung für Güde Brennholzbearbeitung Kettensägen Benzin Kettensägen MOTORKETTENSÄGE KS 350 B - 94086 FSL94086-02 Seite 2. Wählen Sie das benötigte Ersatzteil aus der Ersatzteilliste Ihres Güde Gerätes aus und bestellen Sie einfach online. Viele Güde Ersatzteile halten wir ständig in unserem Lager für Sie bereit.


Qualitätsmanagement
Informieren Sie uns, wenn Sie einen Fehler gefunden haben.

