Güde TISCHKREISSÄGE TK 2500 ECO - 55165 FSL55165-01 Ersatzteile
FSL55165-01 TISCHKREISSÄGE TK 2500 ECO - 55165
Gültig für folgende Seriennummern (ersten 5 Ziffern der Geräteseriennummer)
27739 27740 27741 27742 27743 27744 27745 27746 27747 27748 27842 27843 27844 28253 28254 28255 28569 28570 28571 28578 28627 28628 28629 28754 28755 28756 28757 28758 28759 28760 28761 28762 28763 29155 29156 29157 29158 29159 29440 29442 29443 29444 29445 29446 29447 29448 29449 29450 30032 30033 30034 30035 30036 30891 30892 30893 31032 31035 31040 31041 31042 31116 31117 31209 31210 31211 31212 31283 31284 31285 31286 31287 31440 31441 31442 31443 31444 31744 31745 31746 31747 31788 32161 32162 32163 32164 32165 32166 32167 32168 32169 32170 32351 32352 32353 32354 32355 32472 32473 32474 32475 32476 32477 32478 32479 32480 32481 33291 33292 33402 33403 33404 33405 33406 33407 33408 33789 33824 34090 34091 34092 34093 34094 34095 34096 34097 34098 34099 34323 34324 34325 34326 34327 34328 34329 34330 34331 34332 34785 34786 34787 34788 34789 34874 34875 34876 34877 34878 34879 34880 34881 34882 34883 35308 35309 35310 35311 35312 35313 35314 35315 35316 35317 35318 35319 35320 35321 35322 35323 35324 35325 35326 35327 35509 35510 35511 35512 35513 35514 35515 35976 35977 35978 35979 35980 35981 35982 37826 37827 37828 37829 37830 37831 37832 37833 37834 37835 40389 41312

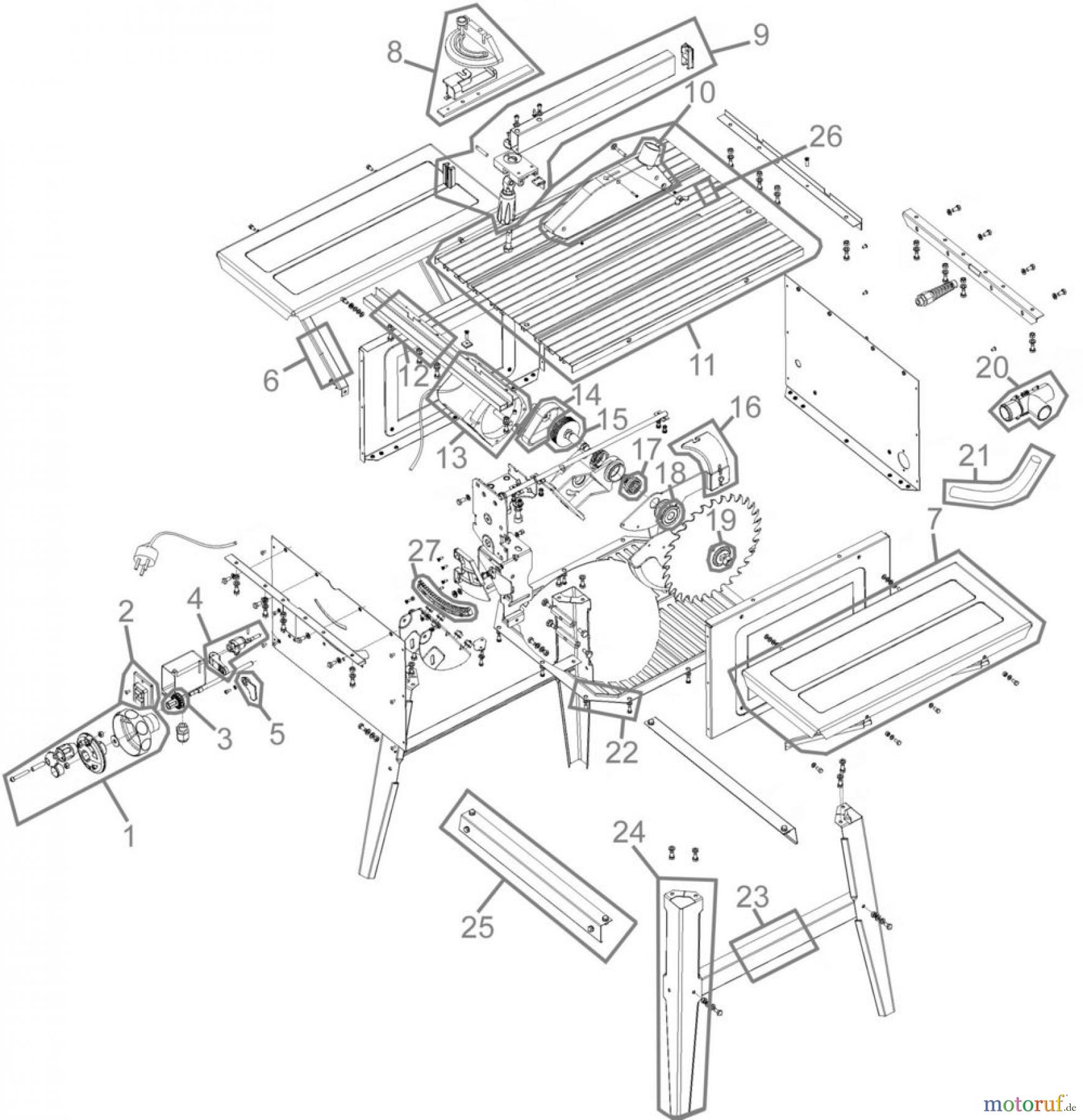
Hier finden Sie die Ersatzteilzeichnung für Güde Holzbearbeitung Tischkreissägen TISCHKREISSÄGE TK 2500 ECO - 55165 FSL55165-01. Wählen Sie das benötigte Ersatzteil aus der Ersatzteilliste Ihres Güde Gerätes aus und bestellen Sie einfach online. Viele Güde Ersatzteile halten wir ständig in unserem Lager für Sie bereit.
Häufig benötigte Güde TISCHKREISSÄGE TK 2500 ECO - 55165 FSL55165-01 Ersatzteile


Qualitätsmanagement
Informieren Sie uns, wenn Sie einen Fehler gefunden haben.



