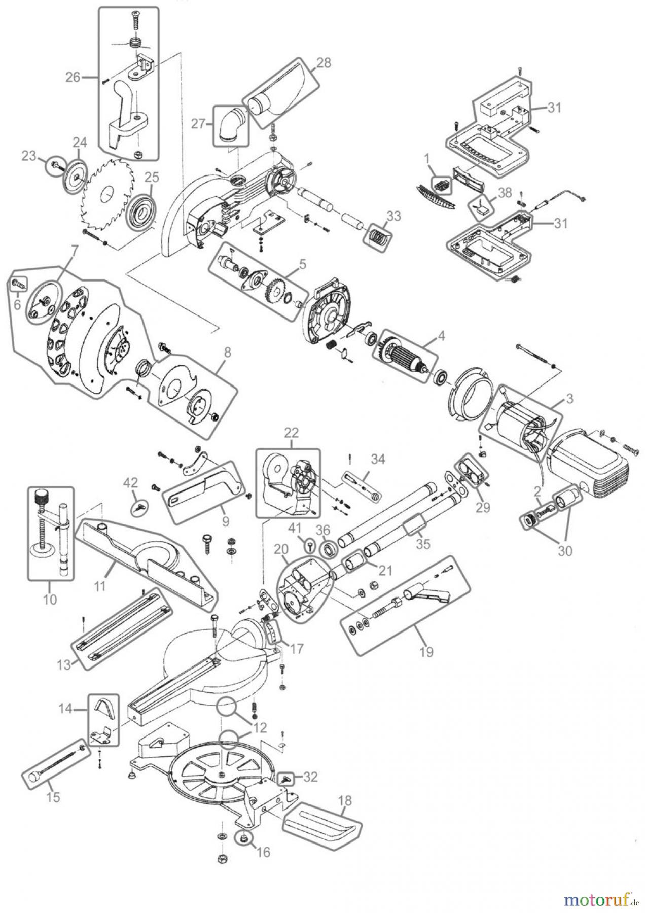
Güde RADIALKAPPSÄGE GRK 250/500 - 55004 FSL55004-03 Ersatzteile
FSL55004-03 RADIALKAPPSÄGE GRK 250/500 - 55004
Gültig für folgende Seriennummern (ersten 5 Ziffern der Geräteseriennummer)
57565

Hier finden Sie die Ersatzteilzeichnung für Güde Holzbearbeitung Radialkappsägen RADIALKAPPSÄGE GRK 250/500 - 55004 FSL55004-03. Wählen Sie das benötigte Ersatzteil aus der Ersatzteilliste Ihres Güde Gerätes aus und bestellen Sie einfach online. Viele Güde Ersatzteile halten wir ständig in unserem Lager für Sie bereit.





