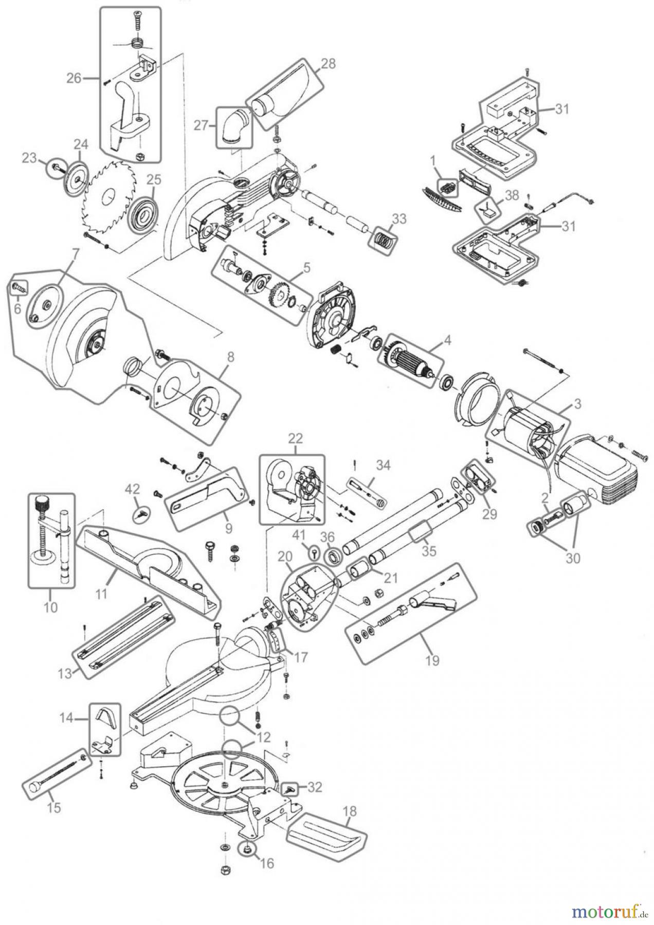
Güde RADIALKAPPSÄGE GRK 250/500 - 55004 FSL55004-01 Ersatzteile
FSL55004-01 RADIALKAPPSÄGE GRK 250/500 - 55004
Gültig für folgende Seriennummern (ersten 5 Ziffern der Geräteseriennummer)
29966 29968 29969 29971 29972 29973 29975 29976 29977 29978 35038 37571 38035 38268 38850 38851 40595 46057 47206 47872 48204 49006 53579 53817

Hier finden Sie die Ersatzteilzeichnung für Güde Holzbearbeitung Radialkappsägen RADIALKAPPSÄGE GRK 250/500 - 55004 FSL55004-01. Wählen Sie das benötigte Ersatzteil aus der Ersatzteilliste Ihres Güde Gerätes aus und bestellen Sie einfach online. Viele Güde Ersatzteile halten wir ständig in unserem Lager für Sie bereit.



