Güde RADIALKAPPSÄGE GRK 210/300 - 55006 FSL55006-01 Ersatzteile
FSL55006-01 RADIALKAPPSÄGE GRK 210/300 - 55006
Gültig für folgende Seriennummern (ersten 5 Ziffern der Geräteseriennummer)
30260 30261 30262 30263 30264 30265 30266 30267 30268 30269 30270 30271 30272 30273 30274 31639 31640 31642 31643 31644 31645 31646 31647 31648 31649 31837 32342 32621 32622 32623 32624 32625 33973 33974 33975 33976 33977 33978 33979 35039 35097 35098 35099 35856 35857 35858 35990 35991 35992 36461 37980 38573 38954 40391 40485 40781 41328 41931 41932 42083 42707 42725 42800 42856 43378 43500 43581 43582 43698 44505 44532 44652 44709 44861 44862 45661 45912 46266 46627 46691 47366 47627 48084 48134 48322 48412 48538 49007 49431 49941 50304 50489 50490 50983 51259 51396 51771 51888 51894 52120 52459 52717 52886 52984 52985 53968

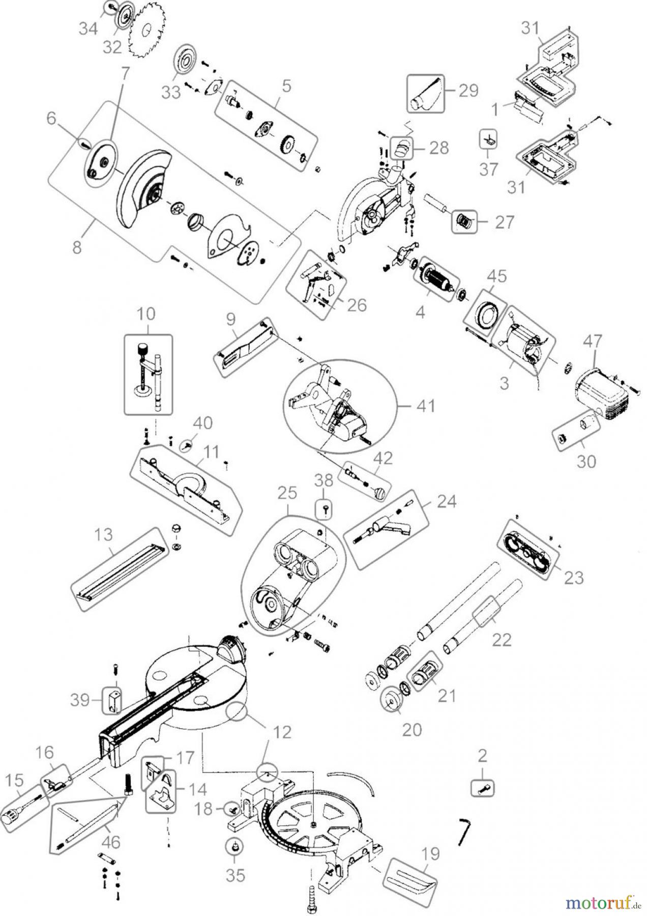
Hier finden Sie die Ersatzteilzeichnung für Güde Holzbearbeitung Radialkappsägen RADIALKAPPSÄGE GRK 210/300 - 55006 FSL55006-01. Wählen Sie das benötigte Ersatzteil aus der Ersatzteilliste Ihres Güde Gerätes aus und bestellen Sie einfach online. Viele Güde Ersatzteile halten wir ständig in unserem Lager für Sie bereit.



