Einkaufswagen
Mein Konto

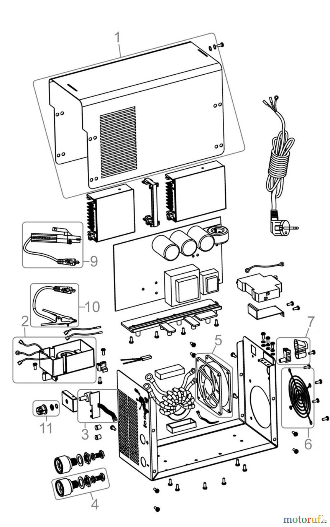
Güde Inverterschweißen ab 150 A INVERTER 160 GC - 20047 FSL20047-01 Ersatzteile

FSL20047-01 INVERTER 160 GC - 20047

Gültig für folgende Seriennummern (ersten 5 Ziffern der Geräteseriennummer) 45784 46629 47807 48258 49771 50441 51891 53088 54128 54970 57018 57674
 Güde Schweißtechnik Schweißgeräte Inverterschweißen ab 150 A INVERTER 160 GC - 20047 FSL20047-01

Hier finden Sie die Ersatzteilzeichnung für Güde Schweißtechnik Schweißgeräte Inverterschweißen ab 150 A INVERTER 160 GC - 20047 FSL20047-01. Wählen Sie das benötigte Ersatzteil aus der Ersatzteilliste Ihres Güde Gerätes aus und bestellen Sie einfach online. Viele Güde Ersatzteile halten wir ständig in unserem Lager für Sie bereit.

Rasen
Bankeinzug, MasterCard, Visa, American Express, PayPal, Nachnahme, Vorauskasse, Sofortüberweisung
Qualitätsmanagement
Informieren Sie uns, wenn Sie einen Fehler gefunden haben.