Güde RADIALKAPPSÄGE GRK 250/300 - 55003 FSL55003-04 Ersatzteile
FSL55003-04 RADIALKAPPSÄGE GRK 250/300 - 55003
Gültig für folgende Seriennummern (ersten 5 Ziffern der Geräteseriennummer)
58833

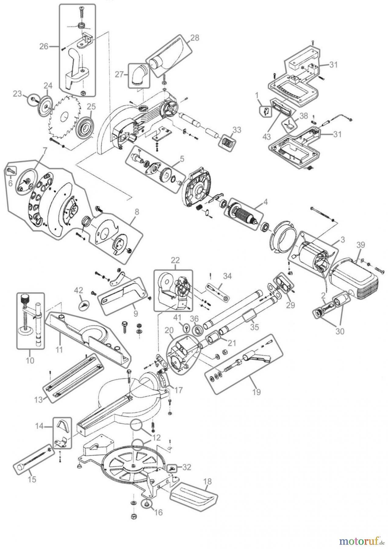
Hier finden Sie die Ersatzteilzeichnung für Güde Holzbearbeitung Radialkappsägen RADIALKAPPSÄGE GRK 250/300 - 55003 FSL55003-04. Wählen Sie das benötigte Ersatzteil aus der Ersatzteilliste Ihres Güde Gerätes aus und bestellen Sie einfach online. Viele Güde Ersatzteile halten wir ständig in unserem Lager für Sie bereit.
Häufig benötigte Güde RADIALKAPPSÄGE GRK 250/300 - 55003 FSL55003-04 Ersatzteile


Qualitätsmanagement
Informieren Sie uns, wenn Sie einen Fehler gefunden haben.





