Güde RADIALKAPPSÄGE GRK 250/300 - 55003 FSL55003-01 Ersatzteile
FSL55003-01 RADIALKAPPSÄGE GRK 250/300 - 55003
Gültig für folgende Seriennummern (ersten 5 Ziffern der Geräteseriennummer)
29956 29957 29958 29959 29960 29961 29962 29963 29964 29965 30741 30742 30743 30744 30745 31199 31200 31201 31650 31651 31652 31653 31654 32309 32310 32311 32312 32611 32612 32613 32614 32615 32616 32617 32618 32619 32620 32770 32771 32772 32773 32774 34009 34010 34011 34012 34013 34014 34015 34016 34017 34018 34243 34244 34245 34246 34247 34248 34249 34250 34251 34252 34456 34457 34458 34459 34478 35853 35854 35855 35883 35884 35885 36461 36530 36531 36532 36533 37046 37047 37048 37049 37050 37406 37407 37568 37569 37570 37876 37877 37878 37879 37880 37980 38194 38195 38196 38519 38789 38790 38791 38954 39691 39692 39693 40351 40352 40391 40483 40484 40903 40904 41229 41230 41231 41326 41327 41464 41838 41840 42078 42079 42080 42081 42616 42740 42800 43188 43189 43190 43191 43406 43533 43562 43563 43694 43695 43696 43965 43966 44391 44504 44786 44787 44788 44942 44943 45590 45726 45986 46265 46690 48619 49047 49430 49517 50302 50303 50435 50436 50981 50982 51397 51513 51771 51860 52575 53580 53730

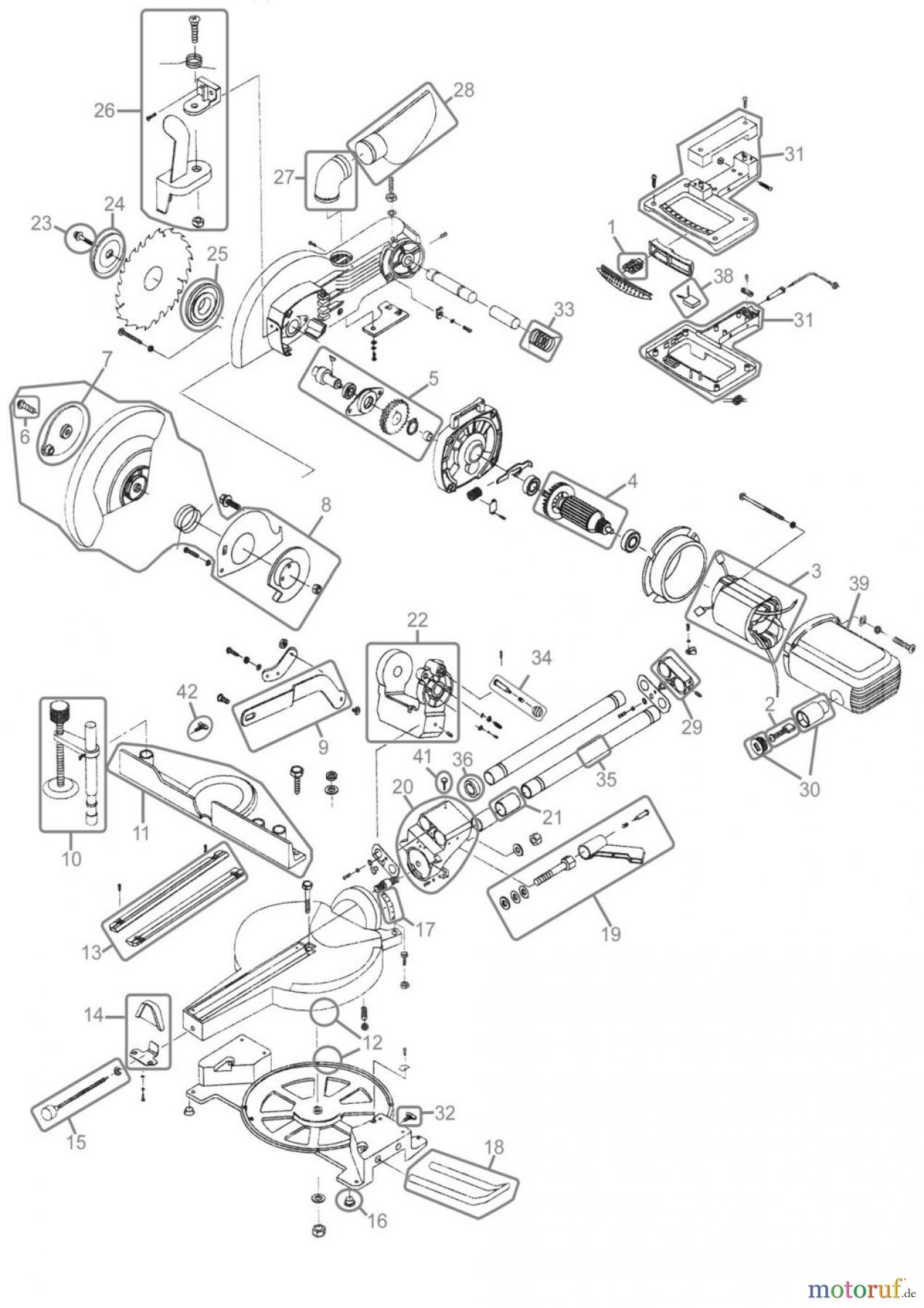
Hier finden Sie die Ersatzteilzeichnung für Güde Holzbearbeitung Radialkappsägen RADIALKAPPSÄGE GRK 250/300 - 55003 FSL55003-01. Wählen Sie das benötigte Ersatzteil aus der Ersatzteilliste Ihres Güde Gerätes aus und bestellen Sie einfach online. Viele Güde Ersatzteile halten wir ständig in unserem Lager für Sie bereit.
Häufig benötigte Güde RADIALKAPPSÄGE GRK 250/300 - 55003 FSL55003-01 Ersatzteile

Artikelnummer: 55003-01002
Suche nach: 55003-01002
Hersteller: Güde
Güde Ersatzteil FSL55003-01
Suche nach: 55003-01002
Hersteller: Güde
Güde Ersatzteil FSL55003-01
14.51 €
für EU incl. MwSt., zzgl. Versand


Qualitätsmanagement
Informieren Sie uns, wenn Sie einen Fehler gefunden haben.


