Tielbürger tk522 AN-518-001 Ersatzteile
AN-518-001 tk522

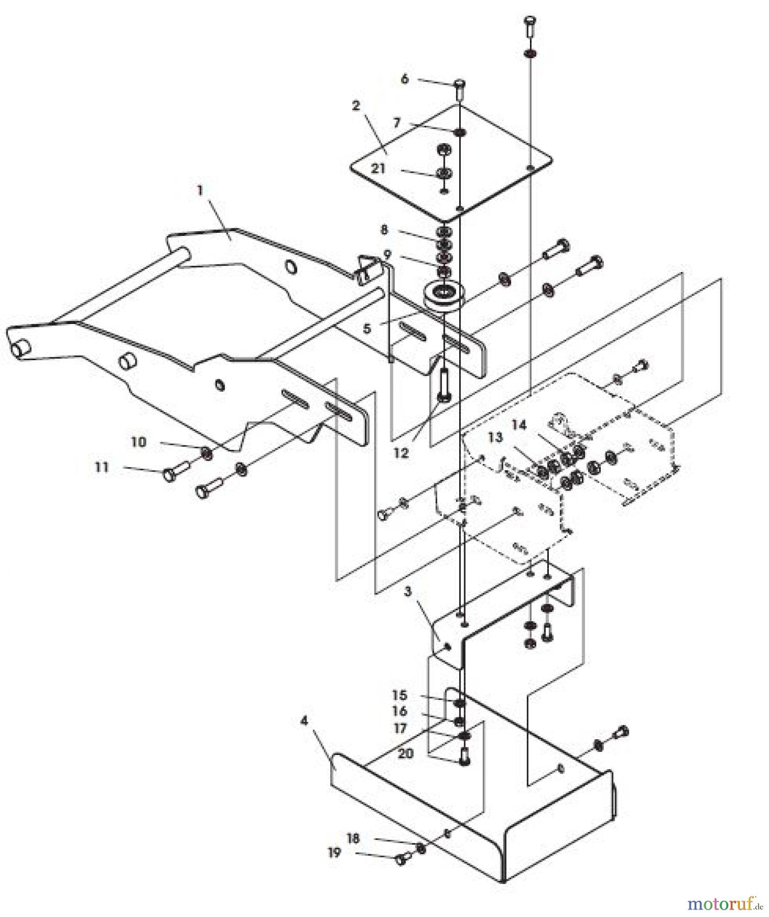
Hier finden Sie die Ersatzteilzeichnung für Tielbürger Rasentraktor Zubehör tk522 AN-518-001 Seite 6. Wählen Sie das benötigte Ersatzteil aus der Ersatzteilliste Ihres Tielbürger Gerätes aus und bestellen Sie einfach online. Viele Tielbürger Ersatzteile halten wir ständig in unserem Lager für Sie bereit.


Qualitätsmanagement
Informieren Sie uns, wenn Sie einen Fehler gefunden haben.


