Tielbürger tk58pro Ersatzteile
tk58pro Kehrmaschinen

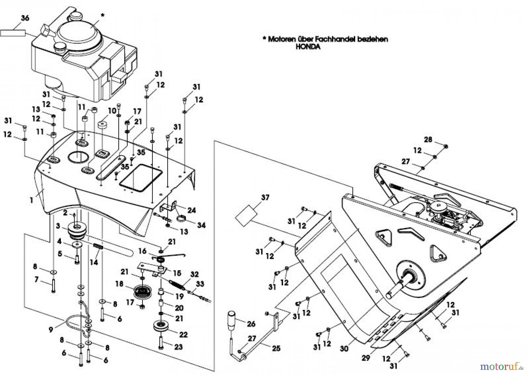
Hier finden Sie die Ersatzteilzeichnung für Tielbürger Kehrmaschinen tk58pro Seite 3. Wählen Sie das benötigte Ersatzteil aus der Ersatzteilliste Ihres Tielbürger Gerätes aus und bestellen Sie einfach online. Viele Tielbürger Ersatzteile halten wir ständig in unserem Lager für Sie bereit.


Qualitätsmanagement
Informieren Sie uns, wenn Sie einen Fehler gefunden haben.



