Tielbürger tk48hydro Seite 13 Ersatzteile
Seite 13 tk48hydro

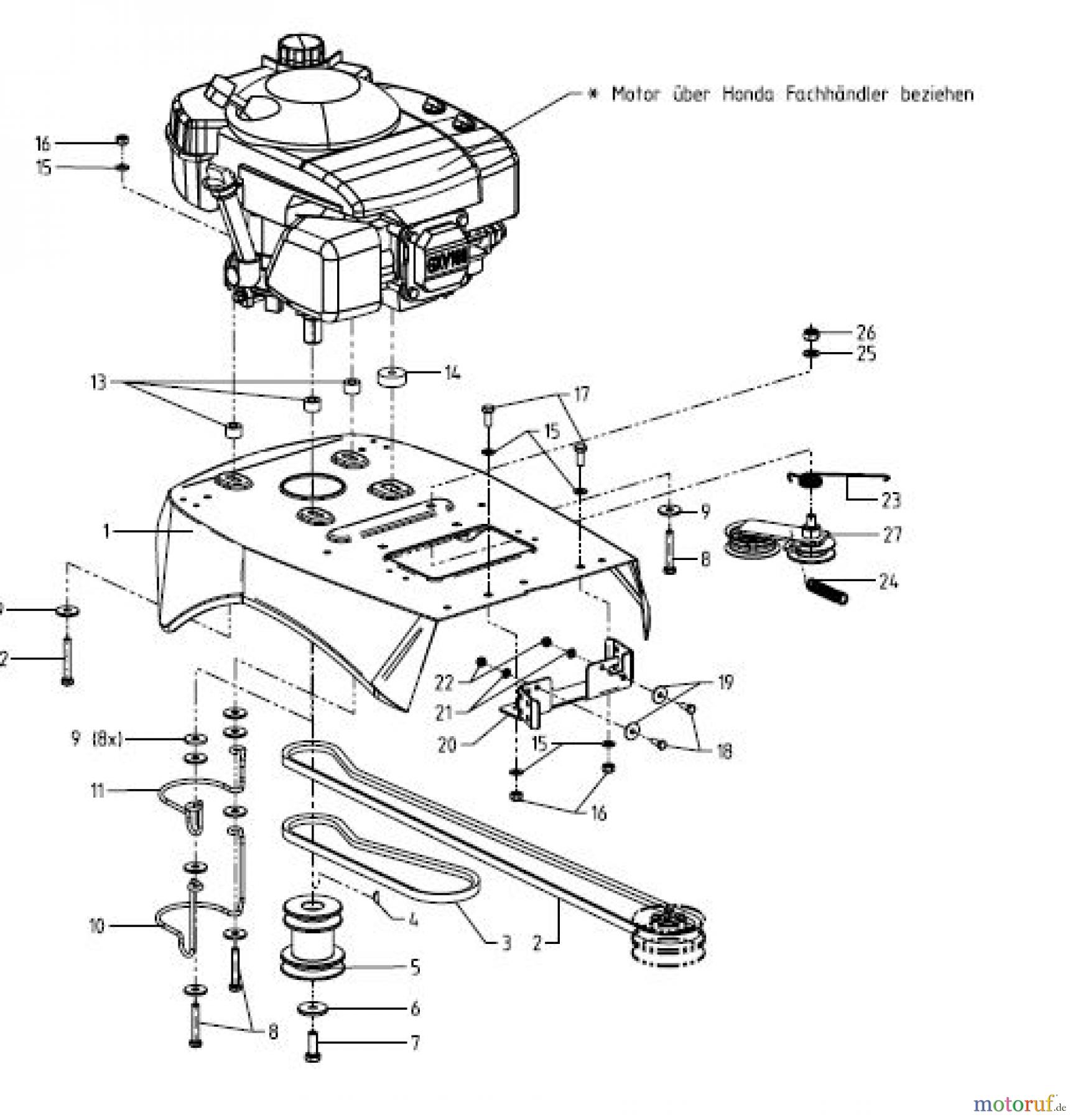
Hier finden Sie die Ersatzteilzeichnung für Tielbürger Kehrmaschinen tk48hydro Seite 13. Wählen Sie das benötigte Ersatzteil aus der Ersatzteilliste Ihres Tielbürger Gerätes aus und bestellen Sie einfach online. Viele Tielbürger Ersatzteile halten wir ständig in unserem Lager für Sie bereit.



