Tielbürger t70 Gehäuseblock Ersatzteile
Gehäuseblock t70

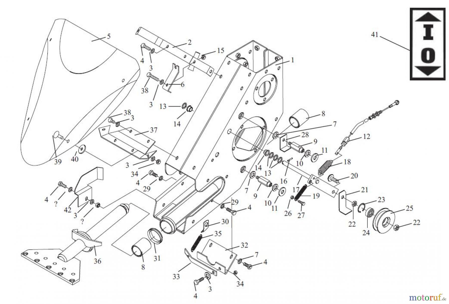
Hier finden Sie die Ersatzteilzeichnung für Tielbürger Wiesenmäher t70 Gehäuseblock. Wählen Sie das benötigte Ersatzteil aus der Ersatzteilliste Ihres Tielbürger Gerätes aus und bestellen Sie einfach online. Viele Tielbürger Ersatzteile halten wir ständig in unserem Lager für Sie bereit.




