Okay Master Cut 105-15/200 H 13HU99KN675 (2015) Motorzubehör ab 01.02.2015 Ersatzteile
Motorzubehör ab 01.02.2015 13HU99KN675 (2015)

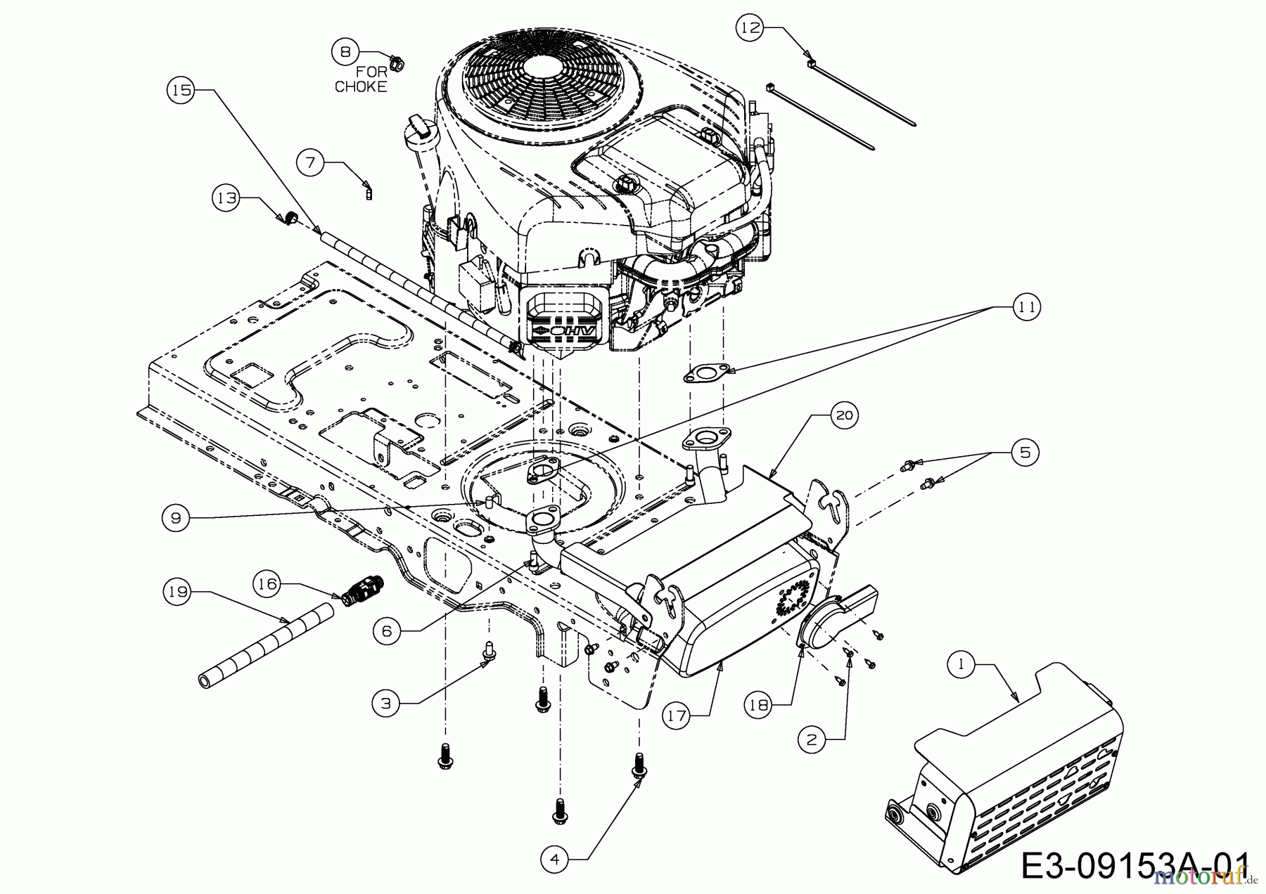
Hier finden Sie die Ersatzteilzeichnung für Okay Rasentraktoren Master Cut 105-15/200 H 13HU99KN675 (2015) Motorzubehör ab 01.02.2015. Wählen Sie das benötigte Ersatzteil aus der Ersatzteilliste Ihres Okay Gerätes aus und bestellen Sie einfach online. Viele Okay Ersatzteile halten wir ständig in unserem Lager für Sie bereit.












