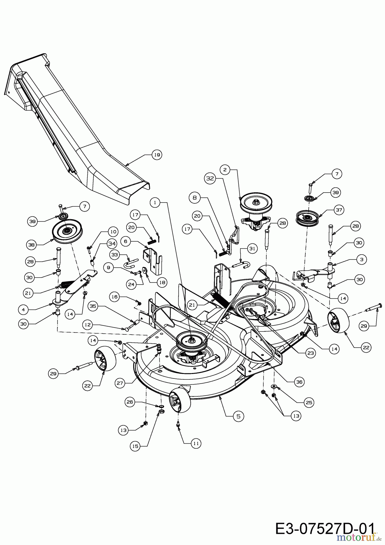
Okay Master Cut 105-15/200 H 13HU99KN675 (2015) Mähwerk N (41"/105cm) Ersatzteile
Mähwerk N (41"/105cm) 13HU99KN675 (2015)

Hier finden Sie die Ersatzteilzeichnung für Okay Rasentraktoren Master Cut 105-15/200 H 13HU99KN675 (2015) Mähwerk N (41"/105cm). Wählen Sie das benötigte Ersatzteil aus der Ersatzteilliste Ihres Okay Gerätes aus und bestellen Sie einfach online. Viele Okay Ersatzteile halten wir ständig in unserem Lager für Sie bereit.